legines.com
64# اتصالات فشرده سازی TEE اتحادیه برنجی

64# اتصالات فشرده سازی TEE اتحادیه برنجی

اتصالات فشرده سازی برنجی اتحادیه برنجی 64#

برنامه ها: بازارها:
■■ خطوط هوایی ■■ صنعتی
■■ خطوط روغن کاری ■■ بسته بندی
■■ خطوط خنک کننده ■■ وابسته به پنوماتیک
■■ صنعت ■■ چاپ
■■ ماشین آلات
■■ کمپرسو
■■ انتقال سیال

ویژگی های محصول:
■■ نیازهای عملکردی SAE J-512 را برآورده می کند
■■ UL برای مایع قابل اشتعال ذکر شده است
■■ برنج یا آستین استال در دسترس است
■■ بدون آماده سازی لوله
■■ اشکال جعلی و اکسترود

قسمت مرجع شماره:
64 -164C -S64 -64A $ $

با ما تماس بگیرید

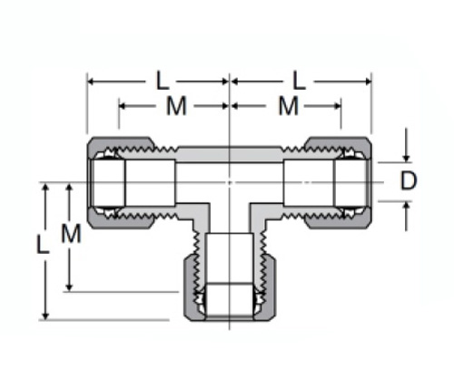
مشخصات

قسمت#

اندازه لوله O.د

مگس

مگس

D

64-2

1/8

/

.53

.94

64-3

3/16

/

.59

.125

64-4

1/4

/

.627

.188

64-5

5/16

/

.65

.250

64-6

3/8

/

.73

.312

64-8

1/2

/

.94

.406

64-10

5/8

/

1.06

.500

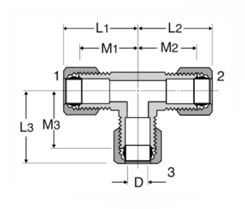
قسمت#

اندازه لوله

m1

m2

m3

64-4-4-6

1/4x1/4x3/8

.69

.69

.75

64-4-6-4

1/4x3/8x1/4

.69

.75

.69

64-6-4-4

3/8x3/8x1/4

.75

.75

.69

64-8-8-6

1/2x1/2x3/8

.94

.94

.81

64-10-10-8

5/8x5/8x1/2

1.06

1.06

1.06

*Ref.Sae No.060401 BA $ $

اتصالات فشاری 64 برنجی اتحادیه ما برای مایع قابل اشتعال ذکر شده و نیازهای عملکردی SAE J-512 را برآورده می کند. آنها در اشکال جعلی یا اکسترود شده موجود هستند ، آنها با هر دو موضوع ماشینکاری و سوکت و در آستین برنج یا استال در دسترس هستند. با آستین های برنج یا استال موجود است ، تمام قطعات برای نصب آسان طراحی شده اند ، بنابراین نصب شما به راحتی انجام می شود. $ $

با ما تماس بگیرید

در مورد لگد

ماشین آلات صنعتی Legines Inc.

به عنوان یک تولید کنندگان حرفه ای اتصالات برنجی چین و به تأمین کنندگان اتصالات فشار می آورد. این ماشینکاری کامل CNC را اتخاذ می کند و دارای منطقه کارگاه با 3600 متر مربع است. 45 ابزار ماشین آلات اتوماتیک ، 35 دستگاه ماشین CNC نیمه اتوماتیک و همچنین توزیع کنندگان ، که به تأمین کننده مهمی برای تولید قطعات برنجی استاندارد آمریکایی در چین تبدیل شده اند ...
  • افتخار
  • افتخار

دستورالعمل و اخبار