legines.com
72# اتصالات فشرده سازی TEE RUN MALE

72# اتصالات فشرده سازی TEE RUN MALE

اتصالات فشرده سازی TEE برنجی 71

برنامه ها: بازارها:
■■ خطوط هوایی ■■ صنعتی
■■ خطوط روغن کاری ■■ بسته بندی
■■ خطوط خنک کننده ■■ وابسته به پنوماتیک
■■ صنعت ■■ چاپ
■■ ماشین آلات
■■ کمپرسو
■■ انتقال سیال

ویژگی های محصول:
■■ نیازهای عملکردی SAE J-512 را برآورده می کند
■■ UL برای مایع قابل اشتعال ذکر شده است
■■ برنج یا آستین استال در دسترس است
■■ بدون آماده سازی لوله
■■ اشکال جعلی و اکسترود

71 -171c -71a -S71 $ $

با ما تماس بگیرید

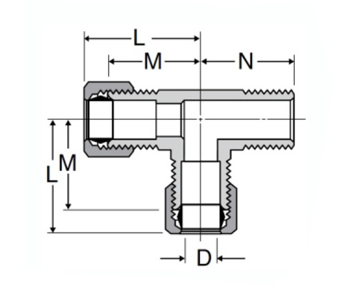
مشخصات

قسمت#

لوله O.د × حرفPTF نر

مگس

N

D

71-3a

3/16 × 1/8

.63

.69

.125

71-4a

1/4 × 1/8

.63

.75

.188

71-4b

1/4 × 1/4

.69

.88

.188

71-5a

5/16 × 1/8

.72

.75

.250

71-5b

5/16 × 1/4

.75

.88

.250

71-6a

3/8 × 1/8

.75

.75

.312

71-6b

3/8 × 1/4

.79

.87

.312

71-6c

3/8 × 3/8

.88

1.00

.330

71-8c

1/2 × 3/8

.94

1.09

.406

71-8d

1/2 × 1/2

.97

1.19

.406

71-10d

5/8 × 1/2 $ $

1.06

1.31

.500

اتصالات فشرده سازی TEE 72 برنجی ما ، نیازهای عملکردی SAE J-512 را برآورده می کند و UL برای مایع قابل اشتعال ذکر شده است. این اتصالات آماده سازی لوله ای ندارند و شکل های جعلی و اکسترود شده اند. آنها در طیف وسیعی از مواد از جمله برنج ، پلاستیک و آستین فلزی در دسترس هستند. این دستگاه دارای یک آستین برنج یا استال است و می تواند در انواع برنامه های کاربردی مانند زیرساخت ها ، انتقال ها و سیستم های سوخت استفاده شود. آماده سازی لوله لازم نیست. $ $

با ما تماس بگیرید

در مورد لگد

ماشین آلات صنعتی Legines Inc.

به عنوان یک تولید کنندگان حرفه ای اتصالات برنجی چین و به تأمین کنندگان اتصالات فشار می آورد. این ماشینکاری کامل CNC را اتخاذ می کند و دارای منطقه کارگاه با 3600 متر مربع است. 45 ابزار ماشین آلات اتوماتیک ، 35 دستگاه ماشین CNC نیمه اتوماتیک و همچنین توزیع کنندگان ، که به تأمین کننده مهمی برای تولید قطعات برنجی استاندارد آمریکایی در چین تبدیل شده اند ...
  • افتخار
  • افتخار

دستورالعمل و اخبار