legines.com
1469# آرنج نر لوله نایلون ترمز هوا

1469# آرنج نر لوله نایلون ترمز هوا

ویژگی های محصول:
■■ بدنه برنجی
■■ با D.O.T. عملکرد FMVSS571.106
■■ نیازهای عملکردی SAE J246 & SAE J1131 را برآورده می کند
■■ درزگیر نخ از پیش استفاده شده


بازارها:
■■ کامیون سنگین
■■ تریلر
■■ متحرک


برنامه ها:
■■ ترمزهای هوا
■■ مخازن هوا
■■ سوار هوایی
■■ لغزنده
■■ تورم تایر
■■ خطوط اولیه و ثانویه
■■ کنترل کابین

قسمت مرجع شماره:

69NAB -1469 -S769AB $ $

با ما تماس بگیرید

مشخصات

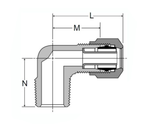
قسمت# لوله O.D × حرفPTF نر مگس N
1469-4a 1/4 × 1/8 .59 .64
1469-4b 1/4 × 1/4 .68 .87
1469-4c 1/4 × 3/8 .73 .86
1469-6a 3/8 × 1/8 .73 .75
1469-6b 3/8 × 1/4 .73 .87
1469-6c 3/8 × 3/8 .74 .87
1469-6d 3/8 × 1/2 .88 1.05
1469-8b 1/2 × 1/4 .81 .93
1469-8c 1/2 × 3/8 .92 .95
1469-8d 1/2 × 1/2 1.03 1.18
1469-10 درجه 5/8 × 3/8 1.00 1.05
1469-10d 5/8 × 1/2 1.09 1.25
1469-10E 5/8 × 3/4 1.25 1.32
1469-12d 3/4 × 1/2 1.19 1.33
1469-12e 3/4 × 3/4 1.26 1.32

*Ref.Sae No.100202 BA $ $

بدن برنجی ، با D.O.T. FMVSS571.106 عملکرد ، مطابق با نیازهای عملکردی SAE J246 & SAE J1131 ، بازارهای مهر و موم نخ از قبل استفاده شده: کامیون سنگین ، تریلر ، برنامه های کاربردی موبایل: ترمزهای هوا ، تانک های هوا ، سوار هوایی ، کشویی ، تورم لاستیک ، خطوط اولیه و متوسط ، کنترل کابین
شیلنگهای ترمز هوا از نایلون سخت تقویت شده با مارپیچ سیم فلزی و یک لوله لوله ای منفرد به منظور برآورده کردن نیازهای ارتباط راه آهن های آمریکایی (AAR) 100202 ساخته شده است. این شیلنگ های ترمز هوا در رابطه با فشار ، دما و مقاومت در برابر خز بودن ، نیازهای نقطه FMVSSS571.106 را برآورده می کند.
آرنج یک مورد استاندارد است که در صنعت ترمز هوا استفاده می شود. این یک چرخش 90 درجه در لوله ترمز هوا به اتصال نر یا زن (لوله) را فراهم می کند. دارای بدن برنجی ، سیلندرهای متالورژی و نخ است. $ $

با ما تماس بگیرید

در مورد لگد

ماشین آلات صنعتی Legines Inc.

به عنوان یک تولید کنندگان حرفه ای اتصالات برنجی چین و به تأمین کنندگان اتصالات فشار می آورد. این ماشینکاری کامل CNC را اتخاذ می کند و دارای منطقه کارگاه با 3600 متر مربع است. 45 ابزار ماشین آلات اتوماتیک ، 35 دستگاه ماشین CNC نیمه اتوماتیک و همچنین توزیع کنندگان ، که به تأمین کننده مهمی برای تولید قطعات برنجی استاندارد آمریکایی در چین تبدیل شده اند ...
  • افتخار
  • افتخار

دستورالعمل و اخبار