legines.com
42# SAE 45 ° Flare Connector Connector Flare Fittings

42# SAE 45 ° Flare Connector Connector Flare Fittings

ویژگی های محصول:
■■ همه ساخت های برنجی
■■ با استفاده از آجیل بلند در برابر لرزش مقاومت می کند
■■ لیست UL
■■ نیازهای عملکردی SAE J512 و J513


بازارها: برنامه ها:
■■ یخچال ■■ خطوط مبرد
■■ کامیون سنگین ■■ پروانه
■■ متحرک ■■ سوخت
■■ صنعتی ■■ آداپتورها
■■ گرمایش ■■ گاز طبیعی
■■ تهویه مطبوع

قسمت مرجع شماره:
46 -U3 -10227-10248 $ $

با ما تماس بگیرید

مشخصات

قسمت#

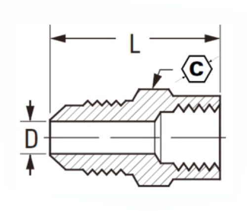
Flare O.د × Thread

جف

D

سعادت

46-3a

3/16 × 1/8

9/16

.126

.58

46-4a

1/4 × 1/8

9/16

.189

.69

46-4b

1/4 × 1/4

11/16

.189

.79

46L-4B

1/4 × 1/4

11/16

.189

.88

46-4c

1/4 × 3/8

13/16

.189

1.06

46-4d

1/4 × 1/2

15/16

.189

1.31

46-5a

5/16 × 1/8

5/8

.219

1.38

46-5b

5/16 × 1/4

11/16

.219

1.44

46-5 درجه سانتیگراد

5/16 × 3/8

13/16

.219

1.69

46-6a

3/8 × 1/8

5/8

.282

1.88

46-6b

3/8 × 1/4

11/16

.282

1.87

46L-6B

3/8 × 1/4

13/16

.282

1.31

46-6 درجه سانتیگراد

3/8 × 3/8

13/16

.282

1.44

46-6d

3/8 × 1/2

1 "

.282

1.69

46L-6D

3/8 × 1/2

15/16

.282

1.44

46-8b

1/2 × 1/4

3/4

.408

1.60

46-8 درجه سانتیگراد

1/2 × 3/8

13/16

.408

1.62

46L-8c

1/2 × 3/8

13/16

.408

1.46

46-8d

1/2 × 1/2

1 "

.408

1.73

46L-8d

1/2 × 1/2

7/8

.408

1.62

46-8e

1/2 × 3/4

1-3/16

.408

1.75

46-10 درجه

5/8 × 3/8

7/8

.500

1.79

46-10d

5/8 × 1/2

1 "

.500

1.98

46-12d

3/4 × 1/2

1-3/16

.625

2.17

46-12e

3/4 × 3/4

1-3/16

.625

2.08

"L" به معنی الگوی نور است.

این اتصالات با اتصالات کامل الگوی کاملاً قابل تعویض هستند ، اما به روش منسجم اصلاح شده اند.

این اصلاح معمولاً در طول نخ های لوله است که در لوله کشی و کاربردهای صنعتی سبک استفاده می شود

*داده های بعد می توانند بدون اطلاع قبلی تغییر کنند

*ref.sae no.010103 $ $

اتصال Flare 45 درجه SAE برای برنامه های وظیفه نور به متوسط طراحی شده است که نیاز به قابلیت اطمینان بالا دارند. 46-U3 برای حداکثر فشار 10،000 psi با استفاده از شیلنگ لاستیکی نیتریل با آستر نئوپرن استفاده می شود. این کانکتور دارای یک مهره سنگین است که در برابر لرزش مقاومت می کند و عمر محصول را گسترش می دهد. اتصالات شعله ور مرد SAE از یک حلقه قفل Bayonet استفاده می کند که در صورت عدم موفقیت یا نگهداری ، نیازی به ابزار خاصی برای جایگزینی اتصالات ندارد. $ $

با ما تماس بگیرید

در مورد لگد

ماشین آلات صنعتی Legines Inc.

به عنوان یک تولید کنندگان حرفه ای اتصالات برنجی چین و به تأمین کنندگان اتصالات فشار می آورد. این ماشینکاری کامل CNC را اتخاذ می کند و دارای منطقه کارگاه با 3600 متر مربع است. 45 ابزار ماشین آلات اتوماتیک ، 35 دستگاه ماشین CNC نیمه اتوماتیک و همچنین توزیع کنندگان ، که به تأمین کننده مهمی برای تولید قطعات برنجی استاندارد آمریکایی در چین تبدیل شده اند ...
  • افتخار
  • افتخار

دستورالعمل و اخبار