legines.com
49# SAE 45 درجه شعله

49# SAE 45 درجه شعله

ویژگی های محصول:
■■ همه ساخت های برنجی
■■ با استفاده از آجیل بلند در برابر لرزش مقاومت می کند
■■ لیست UL
■■ نیازهای عملکردی SAE J512 و J513


بازارها: برنامه ها:
■■ یخچال ■■ خطوط مبرد
■■ کامیون سنگین ■■ پروانه
■■ متحرک ■■ سوخت
■■ صنعتی ■■ آداپتورها
■■ گرمایش ■■ گاز طبیعی
■■ تهویه مطبوع

قسمت مرجع شماره:
249f -49 -E1 -149f -10283 تا 10309 -S49 $ $

با ما تماس بگیرید

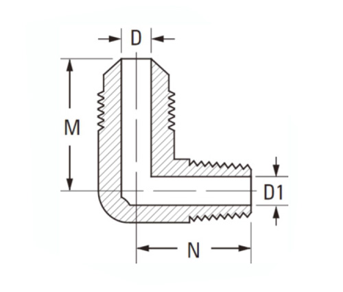
مشخصات

قسمت#

Flare O.د × Thread

D1

D

مگس

حرف

49-2a

1/8 × 1/8

.219

.126

.63

.73

49-3a

3/16 × 1/8

.219

.126

.75

.75

49-4a

1/4 × 1/8

.219

.189

.81

.76

49-4b

1/4 × 1/4

.312

.189

.88

.94

49-4 درجه

1/4 × 3/8

.438

.189

.92

1.01

49-4d

1/4 × 1/2

.562

.189

1.02

1.09

49-5a

5/16 × 1/8

.219

.219

.91

.88

49-5b

5/16 × 1/4

.312

.219

.95

.95

49-5 درجه

5/16 × 3/8

.438

.219

.98

1.01

49-6a

3/8 × 1/8

.219

.282

1.00

.91

49-6b

3/8 × 1/4

.438

.282

1.06

1.01

49-6 درجه سانتیگراد

3/8 × 3/8

.438

.282

1.05

1.08

49-6d

3/8 × 1/2

.562

.282

1.10

1.00

49-8b

1/2 × 1/4

.312

.408

1.19

1.00

49-8 درجه سانتیگراد

1/2 × 3/8

.438

.408

1.19

1.00

49-8d

1/2 × 1/2

.562

.408

1.16

1.13

49-8e

1/2 × 3/4

.750

.408

1.38

1.38

49-10b

5/8 × 1/4

.312

.500

1.34

1.22

49-10 درجه

5/8 × 3/8

.438

.500

1.34

1.22

49-10d

5/8 × 1/2

.562

.500

1.35

1.38

49-10E

5/8 × 3/4

.750

.500

1.44

1.38

49-12d

3/4 × 1/2

.562

.625

1.60

1.48

49-12e

3/4 × 3/4

.750

.625

1.60

1.62

*داده های بعد می توانند بدون اطلاع قبلی تغییر کنند

* Ref.SAE No.010202 $ $

آرنج 49 سری از برنج با کیفیت بالا برای استفاده طولانی مدت ساخته شده است و اتصالات شعله ور 1-1/16 اینچ متناسب است. اتصال پایان لوله 3/4 اینچ اندازه گیری می کند و اتصال زنان 5/8 است. این اتصالات دارای یک مهره اتحادیه شعله ور مرد برای جلوگیری از آسیب لرزش است که می تواند به مرور زمان اتفاق بیفتد و به دلیل فشار تحت آن که این سیستم ها با استفاده از این سیستم ها عمل می کنند.

با ما تماس بگیرید

در مورد لگد

ماشین آلات صنعتی Legines Inc.

به عنوان یک تولید کنندگان حرفه ای اتصالات برنجی چین و به تأمین کنندگان اتصالات فشار می آورد. این ماشینکاری کامل CNC را اتخاذ می کند و دارای منطقه کارگاه با 3600 متر مربع است. 45 ابزار ماشین آلات اتوماتیک ، 35 دستگاه ماشین CNC نیمه اتوماتیک و همچنین توزیع کنندگان ، که به تأمین کننده مهمی برای تولید قطعات برنجی استاندارد آمریکایی در چین تبدیل شده اند ...
  • افتخار
  • افتخار

دستورالعمل و اخبار