legines.com
39# SAE 45 ° Flare Fittings Flare Pluge

39# SAE 45 ° Flare Fittings Flare Pluge

ویژگی های محصول:
■■ همه ساخت های برنجی
■■ با استفاده از آجیل بلند در برابر لرزش مقاومت می کند
■■ لیست UL
■■ نیازهای عملکردی SAE J512 و J513


بازارها: برنامه ها:
■■ یخچال ■■ خطوط مبرد
■■ کامیون سنگین ■■ پروانه
■■ متحرک ■■ سوخت
■■ صنعتی ■■ آداپتورها
■■ گرمایش ■■ گاز طبیعی
■■ تهویه مطبوع

قسمت مرجع شماره:
58 -57 -439 -639f -P2 -PF -2229 -10063 ~ 10069 $ $

با ما تماس بگیرید

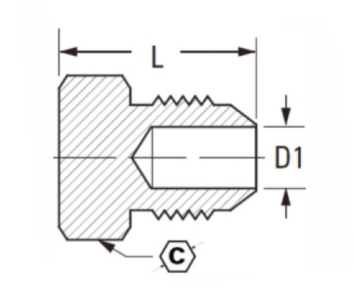
مشخصات

قسمت# لوله O.D جف D1 سعادت
39-2 1/8 7/16 .079 .47
39-3 3/16 1/2 .126 .58
39-4 1/4 9/16 .189 .69
39-5 5/16 5/8 .220 .79
39-6 3/8 3/4 .282 .88
39-8 1/2 7/8 .408 1.06
39-10 5/8 1-1/16 .502 1.19
39-12 3/4 1-5/16 .627 1.30

*ref.sae no.010109 $ $

این اتصالات برنجی Flare 45 درجه SAE برای یخچال ، تهویه مطبوع و خطوط پروپان ایده آل است. این ماده دارای یک مهره بلند برای مقاومت در برابر لرزش است و با استانداردهای SAE J512 و J513 سازگار است. این اتصالات از برنج با کیفیت بالا ساخته شده است و برای اطمینان از عملکرد برتر با استانداردهای دقیق ساخته شده است. $ $

با ما تماس بگیرید

در مورد لگد

ماشین آلات صنعتی Legines Inc.

به عنوان یک تولید کنندگان حرفه ای اتصالات برنجی چین و به تأمین کنندگان اتصالات فشار می آورد. این ماشینکاری کامل CNC را اتخاذ می کند و دارای منطقه کارگاه با 3600 متر مربع است. 45 ابزار ماشین آلات اتوماتیک ، 35 دستگاه ماشین CNC نیمه اتوماتیک و همچنین توزیع کنندگان ، که به تأمین کننده مهمی برای تولید قطعات برنجی استاندارد آمریکایی در چین تبدیل شده اند ...
  • افتخار
  • افتخار

دستورالعمل و اخبار