legines.com
اتصالات لوله برنجی 3350# 45 درجه خیابان

اتصالات لوله برنجی 3350# 45 درجه خیابان

ویژگی های محصول: بازارها:
■■ همه ساخت های برنجی ■■ صنعتی
■■ نیازهای عملکردی را برآورده می کند ■■ ساخت و ساز
SAE J530 و SAE J531 ■■ کامیون سنگین
■■ موضوعات ساخته شده به استانداردهای dryseal ■■ متحرک
■■ هر دو بخشش و اکستروژن موجود است ■■ اتوماسیون کارخانه/فرآیند

برنامه ها: لوله سازگار:
■■ خطوط هوایی ■■ مس
■■ خط آب ■■ برنج
■■ خطوط خنک کننده ■■ لوله

مشخصات:
فشار تا 1000 psi
دامنه دما -65˚ تا 250 درجه فارنهایت

کاربرد معمولی:
گریس ، سوخت ، LP و گاز طبیعی ، یخچال

مطابقت:
مشخصات و استانداردهای ASA ، ASME و SAE را رعایت می کند.

قسمت مرجع شماره:
306 -3350 -2214p -224 -124a $ $

با ما تماس بگیرید

مشخصات

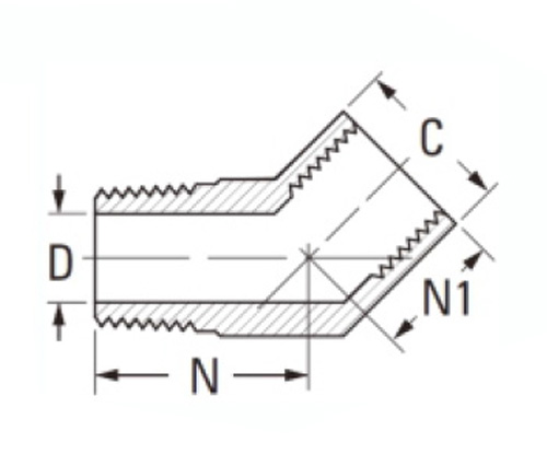
قسمت# اندازه نخ جف د حرف شماره 1
3350-A 1/8 × 1/8 9/16 .219 .50 .38
3350-B 1/4 × 1/4 11/16 .315 .74 .56
3350-c 3/8 × 3/8 13/16 .438 .78 .56
3350-D 1/2 × 1/2 1 " .562 1.00 .76
3350-E 3/4 × 3/4 1 "-1/4 .750 1.06 .75

*ref.sae no.130339 $ $

3350 یک اتصالات آرنج 45 درجه خیابان است. اتصالات ساخته شده است تا با انواع مواد لوله کشی مختلف مورد استفاده قرار گیرد و می تواند تا 1000 psi مقاومت کند. همچنین دارای دامنه دمای عملیاتی بین -65 تا 250 درجه فارنهایت است. اتصالات لوله برنجی آرنج خیابان 45 درجه ما به مشخصات دقیق شما توسط تیم سازندگان با تجربه ساخته شده است. آرنج خیابانی لوله ای است که در یک انتها دارای دو نخ لوله است و انتهای دیگر دارای خم 90 درجه در لوله است. آرنج های خیابانی در صنایع مختلف از لوله کشی تا حمل و نقل استفاده می شود. آرنج های خیابانی در پیکربندی زن یا مرد برای افزایش جریان مایعات یا گازها در طیف وسیعی از فشارها ، دما و اندازه خط در صورت نیاز مشتری ساخته شده است. $ $

با ما تماس بگیرید

در مورد لگد

ماشین آلات صنعتی Legines Inc.

به عنوان یک تولید کنندگان حرفه ای اتصالات برنجی چین و به تأمین کنندگان اتصالات فشار می آورد. این ماشینکاری کامل CNC را اتخاذ می کند و دارای منطقه کارگاه با 3600 متر مربع است. 45 ابزار ماشین آلات اتوماتیک ، 35 دستگاه ماشین CNC نیمه اتوماتیک و همچنین توزیع کنندگان ، که به تأمین کننده مهمی برای تولید قطعات برنجی استاندارد آمریکایی در چین تبدیل شده اند ...
  • افتخار
  • افتخار

دستورالعمل و اخبار