legines.com
3500# اتصالات برنجی 90 درجه اتصالات لوله آرنج

3500# اتصالات برنجی 90 درجه اتصالات لوله آرنج

ویژگی های محصول: بازارها:
■■ همه ساخت های برنجی ■■ صنعتی
■■ نیازهای عملکردی را برآورده می کند ■■ ساخت و ساز
SAE J530 و SAE J531 ■■ کامیون سنگین
■■ موضوعات ساخته شده به استانداردهای dryseal ■■ متحرک
■■ هر دو بخشش و اکستروژن موجود است ■■ اتوماسیون کارخانه/فرآیند

برنامه ها: لوله سازگار:
■■ خطوط هوایی ■■ مس
■■ خط آب ■■ برنج
■■ خطوط خنک کننده ■■ لوله

مشخصات:
فشار تا 1000 psi
دامنه دما -65˚ تا 250 درجه فارنهایت

کاربرد معمولی:
گریس ، سوخت ، LP و گاز طبیعی ، یخچال

مطابقت:
مشخصات و استانداردهای ASA ، ASME و SAE را رعایت می کند.

قسمت مرجع شماره:
2200p -3500 -302 -200 -28001 تا 28005 -100 $ $

با ما تماس بگیرید

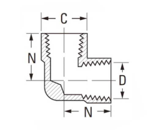
مشخصات

قسمت# اندازه نخ جف د حرف حرف
3500-A 1/8 × 1/8 9/16 .219 .66 .47
3500-B 1/4 × 1/4 11/16 .315 .91 .72
3500-c 3/8 × 3/8 13/16 .438 .97 .78
3500-D 1/2 × 1/2 1 " .562 1.25 1.03
3500-E 3/4 × 3/4 1 "-1/4 .750 1.38 1.12

Ref.Sae No.130238 $ $

آرنج های 90 درجه ما ساخته شده از برنج ، برای تأمین نیازهای کاربردهای صنعتی و ساختمانی ساخته شده است. برنج جعلی از دوام تر ، سخت تر و احتمال خم شدن نسبت به محصولات اکسترود شده است. اتصالات برنز ما نیز در برابر شوک و لرزش مقاومت بهتری دارند. ما اتصالات لوله جعلی و اکسترود شده را برای پروژه ها در کلیه برنامه های صنعت از جمله خطوط هوا ، خطوط آب ، خطوط خنک کننده و موارد دیگر ارائه می دهیم. اتصالات برنجی با بالاترین استانداردهای کیفیت تولید می شود. از فرآیند جعل گرفته تا نخ و پایان دادن به پایان ، هر مرحله با ابزارهای دقیق بررسی می شود. این اتصالات نیازهای عملکردی SAE J530 و SAE J531 را برآورده می کنند ، در حالی که با SAE Standard SAE J514 و ASME B16.21 سازگار هستند. آرنج های 90 درجه ما از برنج با کیفیت بالا ساخته می شوند و ساختاری قوی و بادوام را ارائه می دهند. ما گزینه های کارخانه و کامیون را با دو پیکربندی مختلف بارب ارائه می دهیم تا اندازه های بزرگ لوله ای را در خود جای دهیم. این که آیا به دنبال جایگزینی هستید یا می خواهید سیستم خود را به روز کنید ، crouse hinds می تواند کمک کند. $ $

با ما تماس بگیرید

در مورد لگد

ماشین آلات صنعتی Legines Inc.

به عنوان یک تولید کنندگان حرفه ای اتصالات برنجی چین و به تأمین کنندگان اتصالات فشار می آورد. این ماشینکاری کامل CNC را اتخاذ می کند و دارای منطقه کارگاه با 3600 متر مربع است. 45 ابزار ماشین آلات اتوماتیک ، 35 دستگاه ماشین CNC نیمه اتوماتیک و همچنین توزیع کنندگان ، که به تأمین کننده مهمی برای تولید قطعات برنجی استاندارد آمریکایی در چین تبدیل شده اند ...
  • افتخار
  • افتخار

دستورالعمل و اخبار