legines.com
369ptc آرنج مرد 90 درجه

369ptc آرنج مرد 90 درجه

ویژگی های محصول:
■■ کله برقی
■■ حلقه
■■ پشتیبانی از لوله استیل ضد زنگ
■■ با D.O.T. FMVSS571.106
■■ با SAE J2494-3 ملاقات می کند
■■ بدن کامپوزیت - قوی ، سبک ، فشرده و مقاوم در برابر ضربه
■■ پیکربندی های افزونه

بازارها:
■■ کامیون سنگین
■■ تریلر
■■ متحرک

برنامه ها:
■■ ترمزهای هوا
■■ مخازن هوا
■■ سوار هوایی
■■ لغزنده
■■ تورم تایر
■■ خطوط اولیه و ثانویه
■■ کابین $ $ $ کنترل می کند

با ما تماس بگیرید

مشخصات

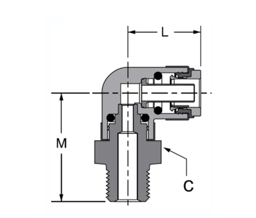
قسمت مرجع شماره:

قسمت# اندازه لوله x nptf نر جف مگس سعادت W.G قیمت
369ptc-4a 1/4 × 1/8 9/16 .69 .69
369ptc-4b 1/4 × 1/4 9/16 .69 1.20
369ptc-4c 1/4 × 3/8 9/16 .69 1.20
369ptc-6a 3/8 × 1/8 3/4 .99 1.13
369ptc-6b 3/8 × 1/4 3/4 .99 1.28
369ptc-6c 3/8 × 3/8 3/4 .99 1.28
369ptc-6d 3/8 × 1/2 3/4 .99 1.47
369ptc-8b 1/2 × 1/4 15/16 1.11 1.39
369ptc-6c 1/2 × 3/8 15/16 1.11 1.39
369ptc-6d 1/2 × 1/2 15/16 1.11 1.58
369ptc-10c 5/8 × 3/8 1-1/16 1.33 1.60
369ptc-10d 5/8 × 1/2 1-1/16 1.33 1.79
369ptc-12d 3/4 × 1/2 1-3/16 $ $ 1.52 1.89
369ptc-12e 3/4x3/4 1-3/16 1.52 1.89

آرنج نر 369PTC یک کانکتور چرخان با کیفیت بالا و کاملاً آزمایش شده با کولت فلزی ، حلقه O O O و پشتیبانی لوله از جنس استنلس استیل است. با D.O.T. استانداردهای FMVSS571.106 و استانداردهای SAE J2494-3 برای اقدامات چرخشی 360 درجه صاف. تنظیمات پلاگین دارای یک بدنه کامپوزیت-قوی ، سبک ، جمع و جور و مقاوم در برابر ضربه است. $ $

با ما تماس بگیرید

در مورد لگد

ماشین آلات صنعتی Legines Inc.

به عنوان یک تولید کنندگان حرفه ای اتصالات برنجی چین و به تأمین کنندگان اتصالات فشار می آورد. این ماشینکاری کامل CNC را اتخاذ می کند و دارای منطقه کارگاه با 3600 متر مربع است. 45 ابزار ماشین آلات اتوماتیک ، 35 دستگاه ماشین CNC نیمه اتوماتیک و همچنین توزیع کنندگان ، که به تأمین کننده مهمی برای تولید قطعات برنجی استاندارد آمریکایی در چین تبدیل شده اند ...
  • افتخار
  • افتخار

دستورالعمل و اخبار