legines.com
منیفولد 24 متر Presto

منیفولد 24 متر Presto

ویژگی های محصول:
■■ کله برقی
■■ حلقه
■■ پشتیبانی از لوله استیل ضد زنگ
■■ با D.O.T. FMVSS571.106
■■ با SAE J2494-3 ملاقات می کند
■■ بدن کامپوزیت - قوی ، سبک ، فشرده و مقاوم در برابر ضربه
■■ پیکربندی های افزونه

بازارها:
■■ کامیون سنگین
■■ تریلر
■■ متحرک

برنامه ها:
■■ ترمزهای هوا
■■ مخازن هوا
■■ سوار هوایی
■■ لغزنده
■■ تورم تایر
■■ خطوط اولیه و ثانویه
■■ کابین $ $ $ کنترل می کند

با ما تماس بگیرید

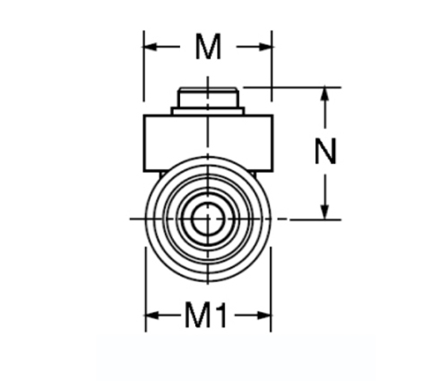
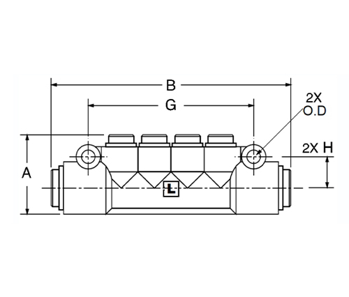
مشخصات

بخش

شماره

لوله O.د

لندل

لوله O.D

خروجی

بوها شرح D جف سخنرانی مگس m1 حرف
24m-4-4 1/4 1/4 1.33 3.98 .21 2.75 .53 .90 .88 .89
24m-6-4 3/8 1/4 1.33 4.00 .21 2.75 .53 .90 .88 .89
24m-6-6 3/8 3/8 1.65 6.49 .22 4.55 .60 1.02 1.02 1.33
24m-8-8 1/2 1/2 1.65 6.49 .22 4.55 .60 1.02 1.02 1.33
24m-8-6-4-4-6-8 1/2 3/8 & 1/4 $ $ 1.65 6.49 .22 4.55 .60 1.02 1.02 1.17

منیفولد 24 متر Presto برای ارائه خدمات آسان ، سریع و قابل اعتماد ساخته شده است. بدن کامپوزیت با طراحی قوی ، سبک ، مقاوم در برابر ضربه و طراحی جمع و جور در حالی که فله را کاهش می دهد ، قدرت را فراهم می کند. منیفولد 24M Presto برای دیدار با D.O.T FMVSS571.106 ، SAE J2494-3 مورد نیاز برای برنامه های فشار بالا طراحی شده است. قابلیت های افزونه و بازی آن امکان حداکثر تطبیق پذیری را در هر برنامه فراهم می کند. $ $

با ما تماس بگیرید

در مورد لگد

ماشین آلات صنعتی Legines Inc.

به عنوان یک تولید کنندگان حرفه ای اتصالات برنجی چین و به تأمین کنندگان اتصالات فشار می آورد. این ماشینکاری کامل CNC را اتخاذ می کند و دارای منطقه کارگاه با 3600 متر مربع است. 45 ابزار ماشین آلات اتوماتیک ، 35 دستگاه ماشین CNC نیمه اتوماتیک و همچنین توزیع کنندگان ، که به تأمین کننده مهمی برای تولید قطعات برنجی استاندارد آمریکایی در چین تبدیل شده اند ...
  • افتخار
  • افتخار

دستورالعمل و اخبار