legines.com
1564 D.O.T فشار در تناسب

1564 D.O.T فشار در تناسب

ویژگی های محصول:
■■ کله برقی
■■ حلقه
■■ پشتیبانی از لوله استیل ضد زنگ
■■ با D.O.T. FMVSS571.106
■■ با SAE J2494 و SAE J2494-3 ملاقات می کند

بازارها:
■■ کامیون سنگین
■■ تریلر
■■ متحرک

برنامه ها:
■■ ترمزهای هوا
■■ مخازن هوا
■■ سوار هوایی
■■ لغزنده
■■ تورم تایر
■■ خطوط اولیه و ثانویه

لوله سازگار:
■■ SAE J844 Type A & B Tubing Nylon

قسمت مرجع شماره:
AQ64DOT -164pmt -1864 -DQ64DOT -1564 -Dot $ $

با ما تماس بگیرید

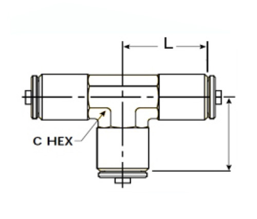
مشخصات

قسمت# اندازه لوله O.D جف سعادت
1564-DOT-4 1/4 3/8 .95
1564-DOT-6 3/8 1/2 .96
1564-DOT-8 1/2 5/8 1.16
1564-DOT-10 5/8 11/16 1.19
1564-DOT-12 3/4 15/16 $ $ 1.40

AQ64DOT یک فشار نیمه انعطاف پذیر برای تناسب Tee است. این دارای یک حلقه O ، یک buna n است که برای کاربردهای فشار بالا و با دمای پایین طراحی شده است. پشتیبانی از لوله دوتایی از بیرون کشیدن از لوله در طول کاربردهای فشار بالا جلوگیری می کند. مواد مورد استفاده برای این محصول SS304 از جنس استنلس استیل و برنج با حلقه Bana n O است که نیازهای SAE J2494 و SAE J2494-3 را برآورده می کند. این محصول با هر دو لوله نایلون SAE J844 نوع A&B سازگار است. اتصالات فشار 1564 نقطه از برنج ساخته شده است ، دارای یک مهر و موم O ، یک پشتیبانی لوله از جنس استیل ضد زنگ است و با FMVSS571.106 ، SAE J2494 & SAE J2494-3 ملاقات می کند. این می تواند در کامیون های سنگین ، تریلرها و تجهیزات موبایل برای حمل و نقل خطوط هوا استفاده شود. این اتصالات باعث می شود خطوط هوای خود را از سیستم ترمز جدا کنید بدون اینکه نیاز به برش هر لوله ای داشته باشید ، بنابراین در هنگام سرویس دهی ترمزهای شما ایمنی را افزایش می دهد. $ $

با ما تماس بگیرید

در مورد لگد

ماشین آلات صنعتی Legines Inc.

به عنوان یک تولید کنندگان حرفه ای اتصالات برنجی چین و به تأمین کنندگان اتصالات فشار می آورد. این ماشینکاری کامل CNC را اتخاذ می کند و دارای منطقه کارگاه با 3600 متر مربع است. 45 ابزار ماشین آلات اتوماتیک ، 35 دستگاه ماشین CNC نیمه اتوماتیک و همچنین توزیع کنندگان ، که به تأمین کننده مهمی برای تولید قطعات برنجی استاندارد آمریکایی در چین تبدیل شده اند ...
  • افتخار
  • افتخار

دستورالعمل و اخبار