legines.com
1565 فشار در اتصالات اتصال به آرنج

1565 فشار در اتصالات اتصال به آرنج

ویژگی های محصول:
■■ کله برقی
■■ حلقه
■■ پشتیبانی از لوله استیل ضد زنگ
■■ با D.O.T. FMVSS571.106
■■ با SAE J2494 و SAE J2494-3 ملاقات می کند

بازارها:
■■ کامیون سنگین
■■ تریلر
■■ متحرک

برنامه ها:
■■ ترمزهای هوا
■■ مخازن هوا
■■ سوار هوایی
■■ لغزنده
■■ تورم تایر
■■ خطوط اولیه و ثانویه

لوله سازگار:
■■ SAE J844 Type A & B Tubing Nylon

قسمت مرجع شماره:
AQ65DOT -165pmt -1865 -DQ65DOT -1565 -Dot $ $

با ما تماس بگیرید

مشخصات

قسمت# لوله O.D جف سعادت
1565-DOT-4 1/4 3/8 .92
1565-DOT-6 3/8 1/2 .96
1565-DOT-8 1/2 5/8 1.16
1565-DOT-10 5/8 11/16 1.19
1565-DOT-12 3/4 15/16 $ $ 1.40

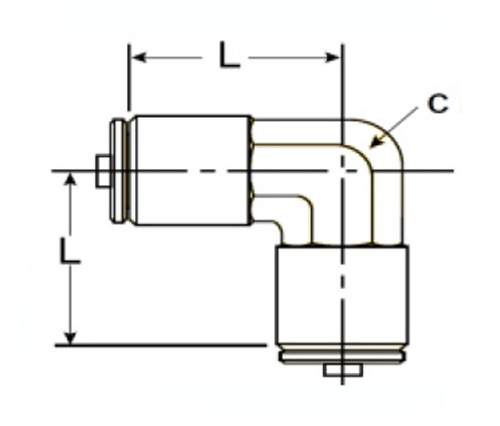
فشار دادن به لوله نایلون نوع A ، B ، C و D SAE J844. استفاده از حلقه O Buna O و پشتیبانی از لوله های استیل ضدزنگ برای نصب ایمن شیلنگ هایی مانند ترمزهای هوا ، خطوط فرمان و سایر موارد امکان پذیر است. اتصالات با مواد با کیفیت بالا برای اطمینان از عملکرد مناسب و عمر طولانی ساخته شده است .1565 فشار در اتصالات اتصال آرنج اتصالی است که با لوله های لاستیکی استفاده می شود. این یک کلت برنجی دارد. این اتصالات توسط TUSA P/N: 1565-DOT ساخته شده است. اتصالات اتصال Pneumatic در رابطه با لوله برای ایجاد یک مونتاژ بدون مانع ، دائمی یا موقت استفاده می شود که از اجزای پنوماتیک استاندارد استفاده می کند. $ $ $ $ $ $ $ $ $ $ $ $ $ $

با ما تماس بگیرید

در مورد لگد

ماشین آلات صنعتی Legines Inc.

به عنوان یک تولید کنندگان حرفه ای اتصالات برنجی چین و به تأمین کنندگان اتصالات فشار می آورد. این ماشینکاری کامل CNC را اتخاذ می کند و دارای منطقه کارگاه با 3600 متر مربع است. 45 ابزار ماشین آلات اتوماتیک ، 35 دستگاه ماشین CNC نیمه اتوماتیک و همچنین توزیع کنندگان ، که به تأمین کننده مهمی برای تولید قطعات برنجی استاندارد آمریکایی در چین تبدیل شده اند ...
  • افتخار
  • افتخار

دستورالعمل و اخبار