legines.com
70# اتصالات فشرده سازی آرنج 90 درجه

70# اتصالات فشرده سازی آرنج 90 درجه

برنامه ها: بازارها:
■■ خطوط هوایی ■■ صنعتی
■■ خطوط روغن کاری ■■ بسته بندی
■■ خطوط خنک کننده ■■ وابسته به پنوماتیک
■■ صنعت ■■ چاپ
■■ ماشین آلات
■■ کمپرسو
■■ انتقال سیال

ویژگی های محصول:
■■ نیازهای عملکردی SAE J-512 را برآورده می کند
■■ UL برای مایع قابل اشتعال ذکر شده است
■■ برنج یا آستین استال در دسترس است
■■ بدون آماده سازی لوله
■■ اشکال جعلی و اکسترود

قسمت مرجع شماره:
70 -170C -S70 -70A $ $

با ما تماس بگیرید

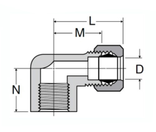
مشخصات

قسمت#

Tube o.d x femalr nptf

حرف

مگس

د

70-3a

3/16x1/8

.470

.69

.125

70-4a

1/4x1/8

.470

.69

.188

70-4b

1/4x1/4

.562

.75

.188

70-5a

5/16x1/8

.600

.78

.234

70-5b

5/16x1/4

.562

.78

.250

70-6b

3/8x1/4

.580

.81

.312

70-6 درجه سانتیگراد

3/8x3/8

.580

.88

.312

70-8b

1/2x1/4

.700

1.00

.312

70-8 درجه

1/2x3/8

.700

1.00

.406

70-8d

1/2x1/2

.880

1.00

.406

*Ref.Sae No.060203 BA $ $

70# آرنج فرفری یک فشرده سازی قابل اعتماد است که برای دیدار با SAE J-512 ساخته شده است. این اتصالات با زاویه 90 درجه نسبت به محور لوله طراحی شده است و می تواند در هر زمان پس از نصب ، شاخه یا زاویه ایجاد کند. برنج جعلی یا آستین استال امکان مونتاژ آسان و بدون آماده سازی لوله را فراهم می کند.
آرنج زن 70 درجه برای کنترل جریان استفاده می شود و می تواند در فولاد خفیف ، استیل ضد زنگ ، آلومینیوم و پلاستیک استفاده شود. آرنج زن 70 درجه شامل یک آستین پلاستیکی یا برنجی است که مقاومت در برابر خوردگی را ارائه می دهد. این اتصالات با لوله های دیواری نرم سازگار است و اندازه گردن هنگام مونتاژ با لوله OD مطابقت دارد. $ $

با ما تماس بگیرید

در مورد لگد

ماشین آلات صنعتی Legines Inc.

به عنوان یک تولید کنندگان حرفه ای اتصالات برنجی چین و به تأمین کنندگان اتصالات فشار می آورد. این ماشینکاری کامل CNC را اتخاذ می کند و دارای منطقه کارگاه با 3600 متر مربع است. 45 ابزار ماشین آلات اتوماتیک ، 35 دستگاه ماشین CNC نیمه اتوماتیک و همچنین توزیع کنندگان ، که به تأمین کننده مهمی برای تولید قطعات برنجی استاندارد آمریکایی در چین تبدیل شده اند ...
  • افتخار
  • افتخار

دستورالعمل و اخبار