legines.com
55# SAE 45 درجه اتصالات شعله ور شده 90 درجه آرنج شعله ور

55# SAE 45 درجه اتصالات شعله ور شده 90 درجه آرنج شعله ور

ویژگی های محصول:
■■ همه ساخت های برنجی
■■ با استفاده از آجیل بلند در برابر لرزش مقاومت می کند
■■ لیست UL
■■ نیازهای عملکردی SAE J512 و J513


بازارها: برنامه ها:
■■ یخچال ■■ خطوط مبرد
■■ کامیون سنگین ■■ پروانه
■■ متحرک ■■ سوخت
■■ صنعتی ■■ آداپتورها
■■ گرمایش ■■ گاز طبیعی
■■ تهویه مطبوع

قسمت مرجع شماره:
E2 -155F -55 -10044 تا 10412 $ $

با ما تماس بگیرید

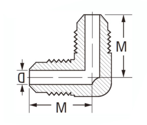
مشخصات

قسمت#

لوله O. د

جف

D

سعادت

55-2

1/8

3/8

.079

.64

55-3

3/16

3/8

.126

.73

55-4

1/4

3/8

.189

.81

55-5

5/16

7/16

.220

.92

55-6

3/8

7/16

.282

1.04

55-8

1/2

9/16

.408

1.31

55-10

5/8

11/16

.502

1.39

5512

3/4

7/8

.627

1.53

55-6 × 4

3/8 × 1/4

7/16

/

/

55-8 × 6

1/2 × 3/8

7/16

/

/

55-10 × 8

5/8 × 1/2

11/16

/

/

*داده های بعد می توانند بدون اطلاع قبلی تغییر کنند

*ref.sae.no.010201 $ $

اتصالات شعله ور 45 درجه SAE برای آرنج 90 درجه جعلی برای گاز طبیعی و پروپان ایده آل است. این محصولات دارای ساخت و ساز برنجی با کیفیت بالا و دارای مهره بلند هستند. اتصالات ما در لیست UL ذکر شده و نیازهای عملکردی SAE J512 و J513 را برآورده می کند. $ $

با ما تماس بگیرید

در مورد لگد

ماشین آلات صنعتی Legines Inc.

به عنوان یک تولید کنندگان حرفه ای اتصالات برنجی چین و به تأمین کنندگان اتصالات فشار می آورد. این ماشینکاری کامل CNC را اتخاذ می کند و دارای منطقه کارگاه با 3600 متر مربع است. 45 ابزار ماشین آلات اتوماتیک ، 35 دستگاه ماشین CNC نیمه اتوماتیک و همچنین توزیع کنندگان ، که به تأمین کننده مهمی برای تولید قطعات برنجی استاندارد آمریکایی در چین تبدیل شده اند ...
  • افتخار
  • افتخار

دستورالعمل و اخبار