legines.com
3151# اتصالات برنجی اتصالات لوله پلاگین مربع

3151# اتصالات برنجی اتصالات لوله پلاگین مربع

ویژگی های محصول: بازارها:
■■ همه ساخت های برنجی ■■ صنعتی
■■ نیازهای عملکردی را برآورده می کند ■■ ساخت و ساز
SAE J530 و SAE J531 ■■ کامیون سنگین
■■ موضوعات ساخته شده به استانداردهای dryseal ■■ متحرک
■■ هر دو بخشش و اکستروژن موجود است ■■ اتوماسیون کارخانه/فرآیند

برنامه ها: لوله سازگار:
■■ خطوط هوایی ■■ مس
■■ خط آب ■■ برنج
■■ خطوط خنک کننده ■■ لوله

مشخصات:
فشار تا 1000 psi
دامنه دما -65˚ تا 250 درجه فارنهایت

کاربرد معمولی:
گریس ، سوخت ، LP و گاز طبیعی ، یخچال

مطابقت:
مشخصات و استانداردهای ASA ، ASME و SAE را رعایت می کند.

قسمت مرجع شماره:
3151 -211p -109a -109b $ $

با ما تماس بگیرید

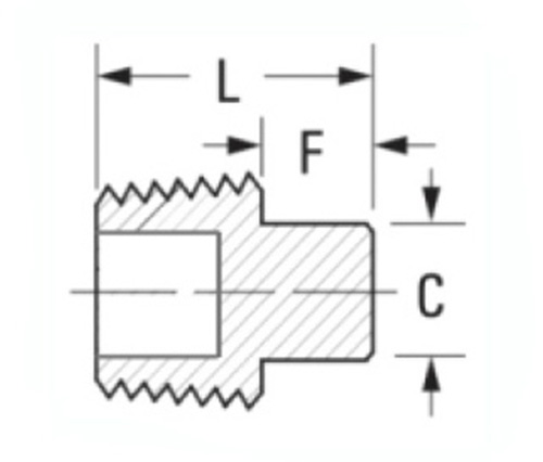
مشخصات

قسمت#

اندازه نخ

جف

ج

سعادت

3151-A

1/8

.28

.24

.58

3151-B

1/8

.37

.29

.80

*3151L-B

1/4

.37

.29

.80

3151-C

3/8

.43

.32

.80

3151L-C

3/8

.43

.32

.80

3151-D

1/2

.56

.39

1.07

*3151L-D

1/2

.56

.39

1.07

3151-E

3/4

.62

.43

1.11

*3151L-E

3/4

.62

.43

1.11

*$ $ $ توخالی

سری 3151 ما طیف کاملی از اتصالات لوله ای را که در خطوط هوا ، خطوط آب و سیستم های روغن کاری استفاده می شود ، ارائه می دهد. این اتصالات برنجی از مواد SAE J530 و SAE J531 برای برآورده کردن فشارهای کاری و درجه حرارت شما برای عمر خدمات قابل اعتماد ساخته شده است. اتصالات دارای بخش های موجود و اکستروژن موجود ، و همچنین پوشش های آبکاری مقاوم در برابر خوردگی است که می تواند به هر استاندارد OEM نقاشی شود. همه ساخت و ساز برنجی مقاومت و استحکام خوردگی برتر را فراهم می کند. این اتصالات مطابق با استاندارد J530 است و با نخ لوله DrySeal سازگار است. این که آیا شما در حال ساختن یک خط هوایی جدید هستید یا جایگزین کردن اتصالات فلزی قدیمی با فناوری مدرن ، این اتصالات با دوام به شما کمک می کند تا کار را به درستی انجام دهید.
اتصالات پلاگین سر مربع از برنج ساخته شده است و می تواند در انواع برنامه های کاربردی از جمله خطوط خنک کننده ، خطوط آب ، خطوط هوا و اتصالات الکترونیکی استفاده شود. هر اتصالات با لوله مس یا لوله آهن و همچنین لوله برنجی سازگار است. $ $

با ما تماس بگیرید

در مورد لگد

ماشین آلات صنعتی Legines Inc.

به عنوان یک تولید کنندگان حرفه ای اتصالات برنجی چین و به تأمین کنندگان اتصالات فشار می آورد. این ماشینکاری کامل CNC را اتخاذ می کند و دارای منطقه کارگاه با 3600 متر مربع است. 45 ابزار ماشین آلات اتوماتیک ، 35 دستگاه ماشین CNC نیمه اتوماتیک و همچنین توزیع کنندگان ، که به تأمین کننده مهمی برای تولید قطعات برنجی استاندارد آمریکایی در چین تبدیل شده اند ...
  • افتخار
  • افتخار

دستورالعمل و اخبار