legines.com
3300# اتصالات لوله اتصال دهنده

3300# اتصالات لوله اتصال دهنده

ویژگی های محصول: بازارها:
■■ همه ساخت های برنجی ■■ صنعتی
■■ نیازهای عملکردی را برآورده می کند ■■ ساخت و ساز
SAE J530 و SAE J531 ■■ کامیون سنگین
■■ موضوعات ساخته شده به استانداردهای dryseal ■■ متحرک
■■ هر دو بخشش و اکستروژن موجود است ■■ اتوماسیون کارخانه/فرآیند

برنامه ها: لوله سازگار:
■■ خطوط هوایی ■■ مس
■■ خط آب ■■ برنج
■■ خطوط خنک کننده ■■ لوله

مشخصات:
فشار تا 1000 psi
دامنه دما -65˚ تا 250 درجه فارنهایت

کاربرد معمولی:
گریس ، سوخت ، LP و گاز طبیعی ، یخچال

مطابقت:
مشخصات و استانداردهای ASA ، ASME و SAE را رعایت می کند.

قسمت مرجع شماره:
377 -3300 -208p -108 -119b -119ah $ $

با ما تماس بگیرید

مشخصات

قسمت# اندازه نخ جف سعادت
3300-BA 1/4 × 1/8 3/4 .97
3300L-BA 1/4 × 1/8 5/8 .83
3300-ca 3/8 × 1/8 7/8 .94
3300 سانتیگرا 3/8 × 1/4 7/8 1.16
3300L-CB 3/8 × 1/4 13/16 1.00
3300L-da 1/2 × 1/8 15/16 1.19
3300 dB 1/2 × 1/4 1-1/16 1.28
3300L-dB 1/2 × 1/4 15/16 1.11
3300 دی سی 1/2 × 3/8 1-1/16 1.38
3300L-DC 1/2 × 3/8 15/16 1.19
*3300-ec 3/4 × 3/8 1-3/16 1.19
*3300-ed 3/4 × 1/2 1-3/16 1.19

*به مشخصات SAE نیست

* Ref.sae.no.130138

*L: Light $ $

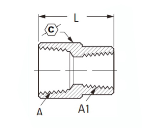
اتصالات لوله اتصال دهنده سری FM3300 برای پیوستن به 2 لوله قطر مختلف در سیستم های لوله کشی ، با استفاده مستقیم از طریق پیکربندی استفاده می شود. اتصال استاندارد کاهش دهنده لوله SAE با جوش در انتهای مرد و انتهای زن. نیازهای عملکردی SAE J530 ، SAE J531 و سایر برنامه های صنعتی را برآورده می کند. تمام ساخت و سازهای برنجی باعث می شود این مناسب برای کاربردهای کامیون های سنگین مناسب باشد. موضوعات ساخته شده به استانداردهای drySeal با لوله و لوله مس سازگار هستند.
اتصالات ما از 100 ٪ آلیاژ و مواد ساخته شده است ، با پایان اتصال برنجی. این اتصالات برای فشار تا 1000 psi آزمایش شده است. در یک سیلندر تحت فشار با تمام camlocks و لوازم جانبی قرار می گیرد. $ $

با ما تماس بگیرید

در مورد لگد

ماشین آلات صنعتی Legines Inc.

به عنوان یک تولید کنندگان حرفه ای اتصالات برنجی چین و به تأمین کنندگان اتصالات فشار می آورد. این ماشینکاری کامل CNC را اتخاذ می کند و دارای منطقه کارگاه با 3600 متر مربع است. 45 ابزار ماشین آلات اتوماتیک ، 35 دستگاه ماشین CNC نیمه اتوماتیک و همچنین توزیع کنندگان ، که به تأمین کننده مهمی برای تولید قطعات برنجی استاندارد آمریکایی در چین تبدیل شده اند ...
  • افتخار
  • افتخار

دستورالعمل و اخبار