legines.com
3200# اتصالات آداپتور Extender

3200# اتصالات آداپتور Extender

ویژگی های محصول: بازارها:
■■ همه ساخت های برنجی ■■ صنعتی
■■ نیازهای عملکردی را برآورده می کند ■■ ساخت و ساز
SAE J530 و SAE J531 ■■ کامیون سنگین
■■ موضوعات ساخته شده به استانداردهای dryseal ■■ متحرک
■■ هر دو بخشش و اکستروژن موجود است ■■ اتوماسیون کارخانه/فرآیند

برنامه ها: لوله سازگار:
■■ خطوط هوایی ■■ مس
■■ خط آب ■■ برنج
■■ خطوط خنک کننده ■■ لوله

مشخصات:
فشار تا 1000 psi
دامنه دما -65˚ تا 250 درجه فارنهایت

کاربرد معمولی:
گریس ، سوخت ، LP و گاز طبیعی ، یخچال

مطابقت:
مشخصات و استانداردهای ASA ، ASME و SAE را رعایت می کند.

قسمت مرجع شماره:
375 -222p -3200 -R1 -120AH -120B $ $

با ما تماس بگیرید

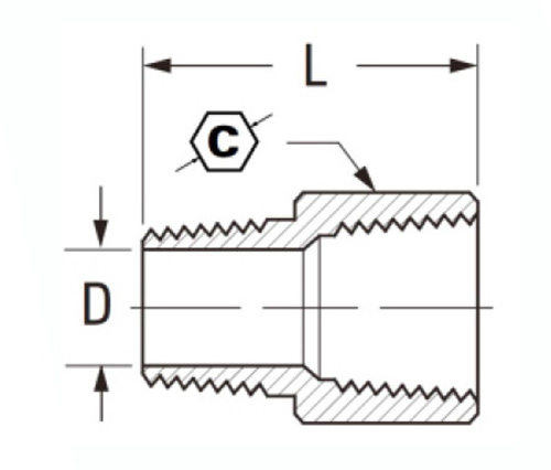
مشخصات

قسمت#

اندازه نخ

جف

ج

سعادت

3200-AA

F1/8 × M1/8

1/2

.219

.88

3200L-AA

F1/8 × M1/8

9/16

.219

.83

3200-BA

F1/4 × M1/8

3/4

.219

1.06

3200L-BA

F1/4 × M1/8

11/16

.219

.94

3200ll-ba

F1/4 × M1/8

5/8

.219

.94

3200 BB

F1/4 × M1/4

3/4

.312

1.25

3200L-BB

F1/4 × M1/4

11/16

.312

1.00

3200ll-bb

F1/4 × M1/4

5/8

.312

1.00

3200-ca

F3/8 × M1/8

7/8

.219

1.00

3200 سانتیگراد

F3/8 × M1/4

7/8

.312

1.25

3200L-CB

F3/8 × M1/4

13/16

.312

1.12

3200 سی سی

F3/8 × M3/8

7/8

.438

1.24

3200L-CC

F3/8 × M3/8

13/16

.438

1.12

3200 دسی بل

F1/2 × M1/4

1-1/16

.312

1.46

3200 دی سی

F1/2 × M3/8

1-1/16

.438

1.47

3200L-DC

F1/2 × M3/8

15/16

.438

1.19

3200 dd

F1/2 × M1/2

1-1/16

.562

1.66

3200L-DD

F1/2 × M1/2

15/16

.562

1.31

3200-EC

F3/4 × M3/8

1-1/4

.438

1.59

3200-ed

F3/4 × M1/2

1-1/4

.563

1.69

3200

F3/4 × M3/4

1-1/4

.750

1.69

*L: نور

*Ref.Sae No.130139 $ $

اتصالات آداپتور از هر دو مورد و اکستروژن ساخته شده و با طیف گسترده ای از لوله ها از جمله خطوط هوا ، خطوط آب و غیره سازگار است. موضوعات SAE J530 و SAE J531 نیازهای عملکردی بازارهای کامیون های سنگین را برآورده می کنند. این محصول با هر دو لوله مس و برنجی سازگار است ، می تواند فشار تا 1000 psi را تحمل کند. تمام اتصالات در ایالات متحده ساخته شده است. اتصالات آداپتور سری 200 سری 200 توسط RSE برای افزایش طول لوله طراحی شده است. تمام ساخت و سازهای برنجی با دوام ، این اتصالات را برای برنامه های صنعتی ، کامیون و موبایل ایده آل می کند. این اتصالات می توانند هر اندازه لوله 2 اینچی را به هم وصل کنند و دامنه فشار بین 500-1000 psi داشته باشند و دمای آن از -65 تا 250 درجه فارنهایت باشد. همچنین در اندازه های 1/8 "تا 6" موجود است. اتصالات آداپتور 3200# برای برنامه هایی با اندازه لوله از 1/2 "تا 2" طراحی شده است. این بدن دارای یک بدن فرو رفته از برنز است که در برابر خوردگی محافظت می کند ، بنابراین می توان از اتصالات در سطح مختلف فشار آب استفاده کرد. انتهای زن پیچیده شده و دارای سه پیچ تنظیم شده است. $ $

با ما تماس بگیرید

در مورد لگد

ماشین آلات صنعتی Legines Inc.

به عنوان یک تولید کنندگان حرفه ای اتصالات برنجی چین و به تأمین کنندگان اتصالات فشار می آورد. این ماشینکاری کامل CNC را اتخاذ می کند و دارای منطقه کارگاه با 3600 متر مربع است. 45 ابزار ماشین آلات اتوماتیک ، 35 دستگاه ماشین CNC نیمه اتوماتیک و همچنین توزیع کنندگان ، که به تأمین کننده مهمی برای تولید قطعات برنجی استاندارد آمریکایی در چین تبدیل شده اند ...
  • افتخار
  • افتخار

دستورالعمل و اخبار