legines.com
3400# اتصالات لوله برنجی 90 درجه آرنج خیابان

3400# اتصالات لوله برنجی 90 درجه آرنج خیابان

ویژگی های محصول: بازارها:
■■ همه ساخت های برنجی ■■ صنعتی
■■ نیازهای عملکردی را برآورده می کند ■■ ساخت و ساز
SAE J530 و SAE J531 ■■ کامیون سنگین
■■ موضوعات ساخته شده به استانداردهای dryseal ■■ متحرک
■■ هر دو بخشش و اکستروژن موجود است ■■ اتوماسیون کارخانه/فرآیند

برنامه ها: لوله سازگار:
■■ خطوط هوایی ■■ مس
■■ خط آب ■■ برنج
■■ خطوط خنک کننده ■■ لوله

مشخصات:
فشار تا 1000 psi
دامنه دما -65˚ تا 250 درجه فارنهایت

کاربرد معمولی:
گریس ، سوخت ، LP و گاز طبیعی ، یخچال

مطابقت:
مشخصات و استانداردهای ASA ، ASME و SAE را رعایت می کند.

قسمت مرجع شماره:
2202p -3400 -304 -115 -202 -116a -28156 تا 2816 $ $

با ما تماس بگیرید

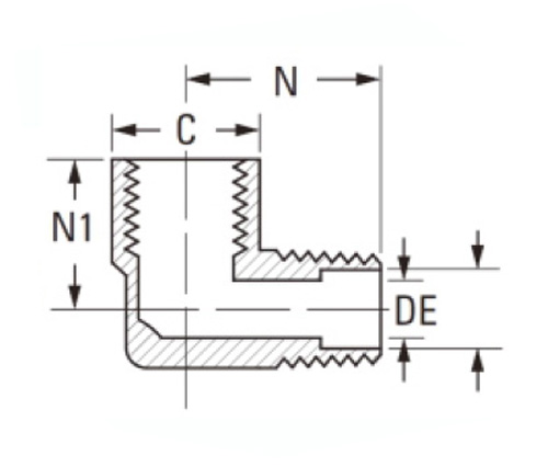
مشخصات

قسمت# اندازه نخ جف د حرف شماره 1
3400-AA 1/8 × 1/8 9/16 .219 .66 .47
3400 BB 1/4 × 1/4 11/16 .315 .91 .72
3400 سی سی 3/8 × 3/8 13/16 .438 .97 .78
3400 dd 1/2 × 1/2 1 " .562 1.25 1.03
3400 3/4 × 3/4 1-1/4 .750 1.38 1.12

Ref.SAE No.130239 $ $

3400# اتصالات لوله برنجی 90 درجه آرنج خیابان از کلیه ساخت و سازهای برنجی ساخته شده و با هر دو مورد و اکستروژن سازگار است. اتصالات درجه صنعتی که نیازهای عملکردی SAE J530 و SAE J531 را برآورده می کند. بازار: ساخت و ساز ، کامیون سنگین و موبایل. هر دو استاندارد برای کار بر روی برنامه های تلفن همراه که لاستیک ترموپلاستیک (TPR) هستند ، برای استفاده در برنامه های کاربردی خودرو ، صنعتی و تجاری که در آن CPVC ناسازگار است ، تهیه شده است. این در طیف گسترده ای از اندازه ها موجود است و از مقاومت در برابر خوردگی استثنایی برخوردار است. این اتصالات برای اتصال خطوط هوا که از لوله های مس تشکیل شده است استفاده می شود. زاویه ای 90 درجه دارد و از برنج ساخته شده است ، بنابراین می تواند در برابر شرایط سخت آب و هوایی مقاومت کند. $ $

با ما تماس بگیرید

در مورد لگد

ماشین آلات صنعتی Legines Inc.

به عنوان یک تولید کنندگان حرفه ای اتصالات برنجی چین و به تأمین کنندگان اتصالات فشار می آورد. این ماشینکاری کامل CNC را اتخاذ می کند و دارای منطقه کارگاه با 3600 متر مربع است. 45 ابزار ماشین آلات اتوماتیک ، 35 دستگاه ماشین CNC نیمه اتوماتیک و همچنین توزیع کنندگان ، که به تأمین کننده مهمی برای تولید قطعات برنجی استاندارد آمریکایی در چین تبدیل شده اند ...
  • افتخار
  • افتخار

دستورالعمل و اخبار