legines.com
3600# اتصالات برنجی شاخه های لوله برنجی

3600# اتصالات برنجی شاخه های لوله برنجی

ویژگی های محصول: بازارها:
■■ همه ساخت های برنجی ■■ صنعتی
■■ نیازهای عملکردی را برآورده می کند ■■ ساخت و ساز
SAE J530 و SAE J531 ■■ کامیون سنگین
■■ موضوعات ساخته شده به استانداردهای dryseal ■■ متحرک
■■ هر دو بخشش و اکستروژن موجود است ■■ اتوماسیون کارخانه/فرآیند

برنامه ها: لوله سازگار:
■■ خطوط هوایی ■■ مس
■■ خط آب ■■ برنج
■■ خطوط خنک کننده ■■ لوله

مشخصات:
فشار تا 1000 psi
دامنه دما -65˚ تا 250 درجه فارنهایت

کاربرد معمولی:
گریس ، سوخت ، LP و گاز طبیعی ، یخچال

مطابقت:
مشخصات و استانداردهای ASA ، ASME و SAE را رعایت می کند.

قسمت مرجع شماره:
2224p -3600 -T9 -X106 -226 -329 -128 -28281 ~ 28285 $ $

با ما تماس بگیرید

مشخصات

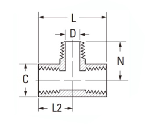
قسمت# اندازه نخ جف د L2 حرف
3600-A F1/8 × M1/8 9/16 .219 1.10 .66
3600-B F1/4 × M1/4 11/16 .315 1.56 .91
3600-C F3/8 × M3/8 13/16 .438 1.68 .97
3600-D F1/2 × M1/2 1 " .562 2.18 1.25
3600-E F3/4 × M3/4 1 "-1/4 .750 2.31 1.38

*Ref.Sae No.130425 $ $

اتصالات Tee Branch Heavy Duty از برنج سنج سنگین ساخته شده است که به استانداردهای SAE J530 و SAE J531 ساخته شده است. آنها در هر دو مورد و اکستروژن در دسترس هستند ، که به ما این امکان را می دهد تا گزینه های متنوعی را برای مشتریان ارائه دهیم. این شاخه های شاخه ای که با هر دو رتبه فشار و دما ساخته شده اند ، تقریباً در هر فرآیند صنعتی مناسب هستند. هر دو مارک لوله می توانند با موفقیت با این اتصالات استفاده شوند. اتصالات Tee شاخه مس و برنجی ما با کیفیت عالی و عملکرد قابل اعتماد در وسیع ترین برنامه ها ، شما را در اختیار شما قرار می دهد. مهندسان واجد شرایط ما می توانند به شما در انتخاب بهترین محصول یا طراحی یک سیستم برای تأمین نیازهای خاص خود کمک کنند. $ $

با ما تماس بگیرید

در مورد لگد

ماشین آلات صنعتی Legines Inc.

به عنوان یک تولید کنندگان حرفه ای اتصالات برنجی چین و به تأمین کنندگان اتصالات فشار می آورد. این ماشینکاری کامل CNC را اتخاذ می کند و دارای منطقه کارگاه با 3600 متر مربع است. 45 ابزار ماشین آلات اتوماتیک ، 35 دستگاه ماشین CNC نیمه اتوماتیک و همچنین توزیع کنندگان ، که به تأمین کننده مهمی برای تولید قطعات برنجی استاندارد آمریکایی در چین تبدیل شده اند ...
  • افتخار
  • افتخار

دستورالعمل و اخبار