legines.com
3700# اتصالات برنجی اتصالات لوله برنجی Tee

3700# اتصالات برنجی اتصالات لوله برنجی Tee

ویژگی های محصول: بازارها:
■■ همه ساخت های برنجی ■■ صنعتی
■■ نیازهای عملکردی را برآورده می کند ■■ ساخت و ساز
SAE J530 و SAE J531 ■■ کامیون سنگین
■■ موضوعات ساخته شده به استانداردهای dryseal ■■ متحرک
■■ هر دو بخشش و اکستروژن موجود است ■■ اتوماسیون کارخانه/فرآیند

برنامه ها: لوله سازگار:
■■ خطوط هوایی ■■ مس
■■ خط آب ■■ برنج
■■ خطوط خنک کننده ■■ لوله

مشخصات:
فشار تا 1000 psi
دامنه دما -65˚ تا 250 درجه فارنهایت

کاربرد معمولی:
گریس ، سوخت ، LP و گاز طبیعی ، یخچال

مطابقت:
مشخصات و استانداردهای ASA ، ASME و SAE را رعایت می کند.

قسمت مرجع شماره:
2203p -3700 -322 -203 -311 -101a -28024 ~ 28028 -101A $ $

با ما تماس بگیرید

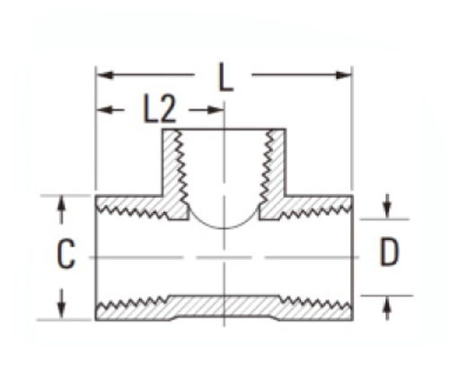
مشخصات

قسمت#

اندازه نخ

جف

د

سعادت2

L

3700-A

1/8

9/16

.339

.55

1.10

3700-B

1/4

11/16

.438

.78

1.56

3700-c

3/8

13/16

.516

.84

1.68

3700-D

1/2

1 "

.703

1.09

2.18

3700-E

3/4

1 "-1/4

.906

1.38

2.31

*ref.sae.no.130438 $ $

این اتصالات Tee Union 100 ٪ از برنج ساخته شده و نیازهای عملکردی SAE J530 ، SAE J531 ، SAE J519 و SAE J529 را برآورده می کند. این برای استفاده در تجهیزات تلفن همراه و برنامه های ساختمانی است. اتحادیه ها اجازه می دهند مونتاژ و جداسازی آسان هنگام تمیز کردن یا تعمیرات. برای جلوگیری از نشت ، اتصالات نخ به استانداردهای drySeal ساخته شده است. وقتی صحبت از طراحی و ساخت سیستم لوله کشی شما می شود ، پاسخ اتحادیه 3700# برنجی است. این یک نگاه حرفه ای و با دوام به پروژه شما در حالی که گزینه های شما را در هنگام نصب گسترش می دهد ، به همراه خواهد داشت. این لوله تا 3/4 اینچ قرار خواهد گرفت. بدن و کلاه ها از برنج ساخته می شوند و این ماده مقاوم در برابر خوردگی و زنگ زدگی را دارند.

با ما تماس بگیرید

در مورد لگد

ماشین آلات صنعتی Legines Inc.

به عنوان یک تولید کنندگان حرفه ای اتصالات برنجی چین و به تأمین کنندگان اتصالات فشار می آورد. این ماشینکاری کامل CNC را اتخاذ می کند و دارای منطقه کارگاه با 3600 متر مربع است. 45 ابزار ماشین آلات اتوماتیک ، 35 دستگاه ماشین CNC نیمه اتوماتیک و همچنین توزیع کنندگان ، که به تأمین کننده مهمی برای تولید قطعات برنجی استاندارد آمریکایی در چین تبدیل شده اند ...
  • افتخار
  • افتخار

دستورالعمل و اخبار