legines.com
3750# اتصالات برنجی اتصالات لوله برنجی Tee Run اجرا

3750# اتصالات برنجی اتصالات لوله برنجی Tee Run اجرا

ویژگی های محصول: بازارها:
■■ همه ساخت های برنجی ■■ صنعتی
■■ نیازهای عملکردی را برآورده می کند ■■ ساخت و ساز
SAE J530 و SAE J531 ■■ کامیون سنگین
■■ موضوعات ساخته شده به استانداردهای dryseal ■■ متحرک
■■ هر دو بخشش و اکستروژن موجود است ■■ اتوماسیون کارخانه/فرآیند

برنامه ها: لوله سازگار:
■■ خطوط هوایی ■■ مس
■■ خط آب ■■ برنج
■■ خطوط خنک کننده ■■ لوله

مشخصات:
فشار تا 1000 psi
دامنه دما -65˚ تا 250 درجه فارنهایت

کاربرد معمولی:
گریس ، سوخت ، LP و گاز طبیعی ، یخچال

مطابقت:
مشخصات و استانداردهای ASA ، ASME و SAE را رعایت می کند.

قسمت مرجع شماره:
2225p -225 -3750 -326 -225 -127a -28245 ~ 28249 $ $

با ما تماس بگیرید

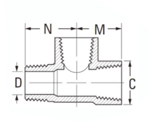
مشخصات

قسمت#

اندازه نخ

جف

د

مگس

حرف

3750-A

1/8

9/16

.219

.55

.66

3750-B

1/4

11/16

.312

.78

.90

3750-C

3/8

13/16

.438

.84

.97

3750-D

1/2

1 "

.562

1.09

1.25

3750-E

3/4

1 "-1/4

.750

1.38

1.38

*ref.sae.no.130424 $ $

#3750 اتصالات مردانه مردانه از برنج ساخته شده و نیازهای اتوماسیون صنعتی ، کارخانه/فرآیند و برنامه های کاربردی موبایل را برآورده می کند. آنها ارتباطی را برای خطوط هوای تحت فشار فراهم می کنند. لوله سازگار در لوله ، برنج و لوله آهن در دسترس است. بازارها شامل بازارهای کامیون های ساختمانی ، صنعتی و سنگین هستند. مواد سازگار شامل خطوط هوا ، خطوط آب و خطوط خنک کننده است. این اتصالات برنجی برای راحتی شما در زن و مرد آمده است. این مواد به اندازه کافی قوی هستند که بتوانند در برابر نشت و زور بایستند و آنها را برای هر شرایط آب و هوایی ایده آل می کند.  هر اتصالات با لوله های مس ، برنج و سایر مواد با کیفیت ساخته شده است که قدرت ، دوام و ماندگاری را به این قطعه می بخشد. $ $

با ما تماس بگیرید

در مورد لگد

ماشین آلات صنعتی Legines Inc.

به عنوان یک تولید کنندگان حرفه ای اتصالات برنجی چین و به تأمین کنندگان اتصالات فشار می آورد. این ماشینکاری کامل CNC را اتخاذ می کند و دارای منطقه کارگاه با 3600 متر مربع است. 45 ابزار ماشین آلات اتوماتیک ، 35 دستگاه ماشین CNC نیمه اتوماتیک و همچنین توزیع کنندگان ، که به تأمین کننده مهمی برای تولید قطعات برنجی استاندارد آمریکایی در چین تبدیل شده اند ...
  • افتخار
  • افتخار

دستورالعمل و اخبار