legines.com
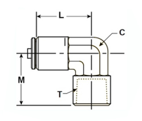
آداپتور آرنج 1570 D.O.T 90 درجه

آداپتور آرنج 1570 D.O.T 90 درجه

ویژگی های محصول:
■■ کله برقی
■■ حلقه
■■ پشتیبانی از لوله استیل ضد زنگ
■■ با D.O.T. FMVSS571.106
■■ با SAE J2494 و SAE J2494-3 ملاقات می کند

بازارها:
■■ کامیون سنگین
■■ تریلر
■■ متحرک

برنامه ها:
■■ ترمزهای هوا
■■ مخازن هوا
■■ سوار هوایی
■■ لغزنده
■■ تورم تایر
■■ خطوط اولیه و ثانویه

لوله سازگار:
■■ SAE J844 Type A & B Tubing Nylon

قسمت مرجع شماره:
AQ70DOT -170pmt -1870 -DQ70DOT -1570DOT $ $

با ما تماس بگیرید

مشخصات

قسمت#

Tube o.d × femlae nptf

جف

مگس

سعادت

1570-DOT-4A

1/4 × 1/8

3/8

.82

.92

1570-DOT-4B

1/4 × 1/4

1/2

.94

.102

1570-DOT-4C

1/4 × 3/8

5/8 $ $

.98

1.11

1570-DOT-6B

3/8 × 1/4

1/2

.94

.96

1570-DOT-6C

3/8 × 3/8

5/8

.91

.98

1570-DOT-8D

1/2 × 1/2

5/8

1.21

1.14

آداپتور آرنج SAE J1570 DOT 90 درجه دارای یک حلقه برنجی و حلقه O نوع O برای اتصال بدون نشت و نصب آسان است ، در حالی که پشتیبانی لوله از جنس استیل ضد زنگ دوام را تضمین می کند. با D.O.T. مورد نیاز ، جلسه FMVSS571.106 ، SAE J2494 و SAE J2494-3 مشخصات برای استفاده با لوله نایلون SAE J844 از نوع A&B در کامیون با وظیفه سنگین ، کاربردهای موبایل و کاربردهای موبایل. این آداپتور آرنج برنجی 90 درجه یک ارتباط محکم بین دو قطعه لوله 3/16 SAE BRAKE BRAKEING است. طراحی مشخصات پایین این آداپتور به آن اجازه می دهد تا در فضاهای تنگ قرار بگیرد ، در حالی که هنوز به اندازه کافی قوی است که بتواند مشخصات DOT را برآورده کند. این آرنج برنجی به گونه ای طراحی شده است که در انتهای خطوط هوایی شما نصب شده باشد و به آنها امکان می دهد گوشه ها را در مکان های تنگ بچرخانند. این ماده از مواد مقاوم در برابر خوردگی ساخته شده و حاوی یک لوله پشتیبانی از جنس استیل ضدزنگ است که آن را محکم نگه می دارد. $ $

با ما تماس بگیرید

در مورد لگد

ماشین آلات صنعتی Legines Inc.

به عنوان یک تولید کنندگان حرفه ای اتصالات برنجی چین و به تأمین کنندگان اتصالات فشار می آورد. این ماشینکاری کامل CNC را اتخاذ می کند و دارای منطقه کارگاه با 3600 متر مربع است. 45 ابزار ماشین آلات اتوماتیک ، 35 دستگاه ماشین CNC نیمه اتوماتیک و همچنین توزیع کنندگان ، که به تأمین کننده مهمی برای تولید قطعات برنجی استاندارد آمریکایی در چین تبدیل شده اند ...
  • افتخار
  • افتخار

دستورالعمل و اخبار