legines.com
اتصالات فشرده سازی آرنج 65# 90 درجه آرنج

اتصالات فشرده سازی آرنج 65# 90 درجه آرنج

برنامه ها: بازارها:
■■ خطوط هوایی ■■ صنعتی
■■ خطوط روغن کاری ■■ بسته بندی
■■ خطوط خنک کننده ■■ وابسته به پنوماتیک
■■ صنعت ■■ چاپ
■■ ماشین آلات
■■ کمپرسو
■■ انتقال سیال

ویژگی های محصول:
■■ نیازهای عملکردی SAE J-512 را برآورده می کند
■■ UL برای مایع قابل اشتعال ذکر شده است
■■ برنج یا آستین استال در دسترس است
■■ بدون آماده سازی لوله
■■ اشکال جعلی و اکسترود

قسمت مرجع شماره:
65 -265 -65A -S65 $ $

با ما تماس بگیرید

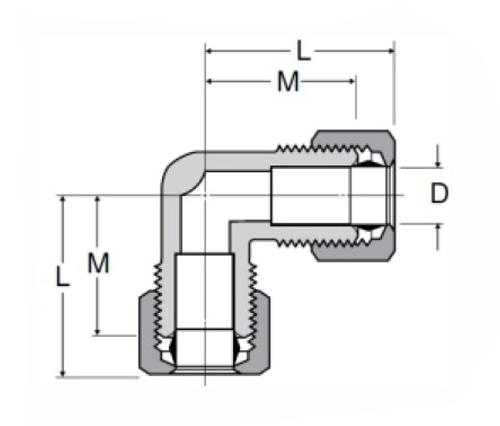
مشخصات

PRT# اندازه لوله O.د مگس D
65-3 3/16 .61 .125
65-4 1/4 .66 .188
65-5 5/16 .69 .250
65-6 3/8 .72 .312
65-8 1/2 .94 .406
65-10 5/8 1.06 .500
65-12 3/4 1.19 .562
65-6-4 3/8x1/4 .75/.69 .125
65-8-6 1/2x3/8 .94/.88 $ $ .312

این سری 65 تا 6 برابر سبک تر از اتصالات جعلی ، دارای یک بدنه سبک و مقاوم در برابر خوردگی و بدنه برنجی و یک پین مرکز برنجی جعلی است. این اتصالات به شما امکان می دهد انتهای یک لوله را با زاویه 90 درجه سازگار کنید. این اتصالات در چندین ماده و اتمام از جمله برنج ، فولاد ضد زنگ و استول در دسترس است. هر اتصالات با شماره قطعه مهر می شود و از شناسایی آسان در تمام نقاط زنجیره تأمین اطمینان می یابد. این زیر مجموعه آرنج به طور معمول در سیستم های سوخت استفاده می شود که لوله مس به اتصالات لوله مس توصیه می شود. تعداد موضوعات مورد نیاز برای ایجاد اتصال می تواند بر اساس مواد لوله ، ضخامت دیواره و قسمت نخ متفاوت باشد. $ $

با ما تماس بگیرید

در مورد لگد

ماشین آلات صنعتی Legines Inc.

به عنوان یک تولید کنندگان حرفه ای اتصالات برنجی چین و به تأمین کنندگان اتصالات فشار می آورد. این ماشینکاری کامل CNC را اتخاذ می کند و دارای منطقه کارگاه با 3600 متر مربع است. 45 ابزار ماشین آلات اتوماتیک ، 35 دستگاه ماشین CNC نیمه اتوماتیک و همچنین توزیع کنندگان ، که به تأمین کننده مهمی برای تولید قطعات برنجی استاندارد آمریکایی در چین تبدیل شده اند ...
  • افتخار
  • افتخار

دستورالعمل و اخبار