legines.com
72# اتصالات فشرده سازی شاخه مردانه

72# اتصالات فشرده سازی شاخه مردانه

برنامه ها: بازارها:
■■ خطوط هوایی ■■ صنعتی
■■ خطوط روغن کاری ■■ بسته بندی
■■ خطوط خنک کننده ■■ وابسته به پنوماتیک
■■ صنعت ■■ چاپ
■■ ماشین آلات
■■ کمپرسو
■■ انتقال سیال

ویژگی های محصول:
■■ نیازهای عملکردی SAE J-512 را برآورده می کند
■■ UL برای مایع قابل اشتعال ذکر شده است
■■ برنج یا آستین استال در دسترس است
■■ بدون آماده سازی لوله
■■ اشکال جعلی و اکسترود

قسمت مرجع شماره:
72 -172C -S72 -72A $ $

با ما تماس بگیرید

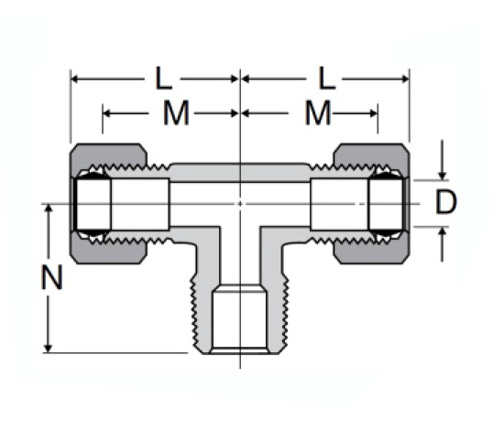
مشخصات

قسمت#

لوله O.د × حرفPTF نر

مگس

N

D

72-3a

3/16 × 1/8

.63

.69

.125

72-4a

1/4 × 1/8

.63

.75

.188

72-4b

1/4 × 1/4

.69

.88

.188

72-5a

5/16 × 1/8

.72

.75

.250

72-5b

5/16 × 1/4

.75

.88

.250

72-6a

3/8 × 1/8

.75

.75

.312

72-6b

3/8 × 1/4

.79

.87

.312

72-6 درجه سانتیگراد

3/8 × 3/8

.88

1.00

.330

72-8 درجه

1/2 × 3/8

.94

1.09

.406

72-8d

1/2 × 1/2

.97

1.19

.406

72-10d

5/8 × 1/2 $ $

1.06

1.31

.500

تمام اتصالات فشرده سازی برای برآورده کردن یا فراتر از نیازهای عملکردی SAE J-512 و UL که برای مایع قابل اشتعال ذکر شده است ، تولید می شوند. آنها از آلیاژ آلومینیوم ، برنج یا استول ساخته شده اند. شکل های جعلی و اکسترود ما مقاومت بالایی در برابر خسارت هایی دارند که به طور معمول در اتصالات معمولی تر رخ می دهد. ما هر شکلی را که می توانید تصور کنید تا حداکثر قطر 2 ".
اتصالات فشرده سازی شاخه های مردانه یک نوع شاخه ای از نوع شاخه 90 درجه برای استفاده با لوله مس ، استیل ضد زنگ و لوله ترموپلاستیک است. آرنج 360 درجه می چرخد تا اتصال به زاویه های سخت و لوله های Tee آسانتر شود. $ $

با ما تماس بگیرید

در مورد لگد

ماشین آلات صنعتی Legines Inc.

به عنوان یک تولید کنندگان حرفه ای اتصالات برنجی چین و به تأمین کنندگان اتصالات فشار می آورد. این ماشینکاری کامل CNC را اتخاذ می کند و دارای منطقه کارگاه با 3600 متر مربع است. 45 ابزار ماشین آلات اتوماتیک ، 35 دستگاه ماشین CNC نیمه اتوماتیک و همچنین توزیع کنندگان ، که به تأمین کننده مهمی برای تولید قطعات برنجی استاندارد آمریکایی در چین تبدیل شده اند ...
  • افتخار
  • افتخار

دستورالعمل و اخبار