legines.com
پلاگین خط ترمز معکوس 131 فولاد

پلاگین خط ترمز معکوس 131 فولاد

ویژگی های محصول:
■■ همه ساخت های برنجی
■■ UL برای مایع و گاز قابل اشتعال ذکر شده است
■■ نیازهای عملکردی SAE J512 را برآورده می کند
■■ مهره فولادی برای اقتصاد

بازارها: برنامه ها:
■■ تهویه مطبوع ■■ خطوط مبرد
■■ دریایی ■■ خطوط ترمز
■■ متحرک ■■ خطوط سوخت
■■ موتورهای

لوله سازگار:
■■ مس
■■ برنج
■■ الومینیوم
■■ لوله هیدرولیک فلزی جوش داده شده $ $

با ما تماس بگیرید

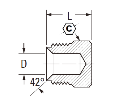
مشخصات

قسمت#

لوله O.د

جف

D

سعادت

131-3

3/16 3/8 .188

.53

131-4

1/4 7/16 .188 .54

131-5

5/16 1/2 .250 .59

131-6

3/8 5/8 .312 .66

*ref.sae no.040109 ba $ $

131 سری اتصالات خط ترمز معکوس برنجی ما به طور خاص برای خطوط گاز و سوخت طراحی شده است. طرح معکوس اتصال بدون نشت در برنامه های تنگ را فراهم می کند.
پلاگین خط ترمز معکوس فولادی 131 یک پلاگین به سبک آچار و معکوس سازگار با بنزین یا بنزین است که برای مهر و موم انتهای ترمینال لوله های انعطاف پذیر طراحی شده است. این ماده از فولاد اندود روی برای مقاومت در برابر خوردگی و درج پلاستیکی انتگرال ساخته شده است که قدرت در برابر اعوجاج را ارائه می دهد. همچنین با ساخت و ساز برنجی در دسترس است.
این محصول یک پلاگین برنج و فولادی با اتصالات شعله ای معکوس است. برای پذیرش لوله 1/8 ساخته شده است. ابعاد با قطر 53.53 "به عمق .54" است ، این سبک از پلاگین فقط در لوله های مس ، فولاد و آلومینیوم قابل استفاده است.
اقتصاد اغلب نام بازی در برنامه های خط ترمز است. و هیچ راهی بهتر برای صرفه جویی در هزینه از این پلاگین خط که هوای تازه را از خطوط شما دور نگه می دارد ، وجود ندارد ، اما به نظر می رسد عالی است و برای سالهای آینده دوام خواهد داشت. با یک مهره فلزی و بشکه برنجی ، این مطمئناً نیازهای شما را برآورده می کند. $ $

با ما تماس بگیرید

در مورد لگد

ماشین آلات صنعتی Legines Inc.

به عنوان یک تولید کنندگان حرفه ای اتصالات برنجی چین و به تأمین کنندگان اتصالات فشار می آورد. این ماشینکاری کامل CNC را اتخاذ می کند و دارای منطقه کارگاه با 3600 متر مربع است. 45 ابزار ماشین آلات اتوماتیک ، 35 دستگاه ماشین CNC نیمه اتوماتیک و همچنین توزیع کنندگان ، که به تأمین کننده مهمی برای تولید قطعات برنجی استاندارد آمریکایی در چین تبدیل شده اند ...
  • افتخار
  • افتخار

دستورالعمل و اخبار