legines.com
105 اتصالات آجیل لوله فولادی

105 اتصالات آجیل لوله فولادی

ویژگی های محصول:
■■ همه ساخت های برنجی
■■ UL برای مایع و گاز قابل اشتعال ذکر شده است
■■ نیازهای عملکردی SAE J512 را برآورده می کند
■■ مهره فولادی برای اقتصاد

بازارها: برنامه ها:
■■ تهویه مطبوع ■■ خطوط مبرد
■■ دریایی ■■ خطوط ترمز
■■ متحرک ■■ خطوط سوخت
■■ موتورهای

لوله سازگار:
■■ مس
■■ برنج
■■ الومینیوم
■■ لوله هیدرولیک فولادی جوش داده شده

قسمت مرجع شماره:
2015 -411fs -105 -41W $ $

با ما تماس بگیرید

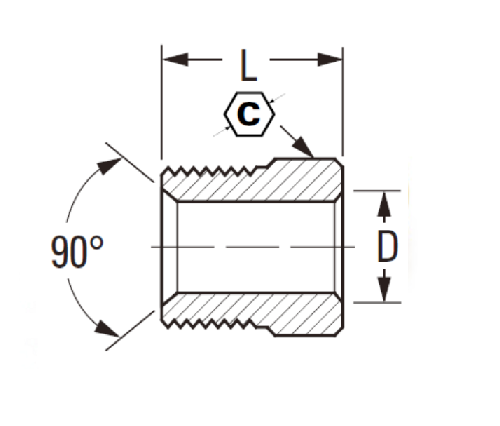
مشخصات

قسمت#

لوله O.د

جف

D

سعادت

105-3

3/16 5/16 .196

.56

105-4

1/4 3/8 .259 .56

105-5

5/16 7/16 .321 .62

105-6

3/8 5/8 .384 .66

105-8

1/2

3/4

.508

.74

105-10

5/8

7/8

.632

.80

105-12

3/4

1-1/16 $ $

.757

.88

سری 105 یک شعله ور با هزینه کم است. از برنج ساخته شده است و دارای ویژگی های خطوط سیال و گاز قابل اشتعال است. این سری 105 شامل آجیل فولادی برای اقتصاد است که در اندازه های مختلف موجود است. همچنین دارای سازگاری با مواد لوله ای متعدد از جمله مس ، برنج ، آلومینیوم و لوله های هیدرولیک فلزی جوش داده شده است.
قسمت شماره: 2015 - 411FS - 105 - 41W توسط Miller Welder ساخته شده است تا بتواند محیط صنعتی و تجاری را ایمن تر ، کارآمدتر و مقرون به صرفه تر کند. قسمت شماره: 2015 - 411fs - 105 - 41W برای مایعات و گازها قابل اشتعال رتبه بندی شده است. این محصول از برنجی با درجه بالا ساخته شده است که از آن استفاده نمی کند و یا زنگ زدگی نخواهد بود.
اتصالات شعله ور 105 لوله فولادی یک محصول ماندگار با یک اتصالات NPT 1/2 "و یک شعله 3/8" را ارائه می دهد. این ساخته شده از تمام ساخت و سازهای برنجی ، جلسه یا فراتر از همه کدهای مربوط به ANSI B16.11 و SAE J512 است. این محصول برای استفاده در برنامه های زیر طراحی شده است: تهویه مطبوع (از جمله خطوط AC اتومبیل) ، خطوط مبرد و خطوط روغن مبرد ، دریایی ، خطوط ترمز ، خطوط سوخت های همراه ، موتورها و غیره.
این 3/4 "x 3/4" x 8 "اتصالات آجیل فولادی با واشر مهر و موم فشار می تواند به شما کمک کند قابلیت اطمینان ، دوام و ایمنی را که از خطوط لوله های صنعتی خود خواسته اید ، به شما کمک کند. یک بدنه برنج و یک برنج محکم باعث ایجاد این اتصالات دوام اضافی می شود ، در حالی که یک آجیل فولادی بدون نشت کمک می کند.

با ما تماس بگیرید

در مورد لگد

ماشین آلات صنعتی Legines Inc.

به عنوان یک تولید کنندگان حرفه ای اتصالات برنجی چین و به تأمین کنندگان اتصالات فشار می آورد. این ماشینکاری کامل CNC را اتخاذ می کند و دارای منطقه کارگاه با 3600 متر مربع است. 45 ابزار ماشین آلات اتوماتیک ، 35 دستگاه ماشین CNC نیمه اتوماتیک و همچنین توزیع کنندگان ، که به تأمین کننده مهمی برای تولید قطعات برنجی استاندارد آمریکایی در چین تبدیل شده اند ...
  • افتخار
  • افتخار

دستورالعمل و اخبار