legines.com
302 اتصالات اتحادیه ترمز برنجی

302 اتصالات اتحادیه ترمز برنجی

ویژگی های محصول:
■■ همه ساخت های برنجی
■■ UL برای مایع و گاز قابل اشتعال ذکر شده است
■■ نیازهای عملکردی SAE J512 را برآورده می کند
■■ مهره فولادی برای اقتصاد

بازارها: برنامه ها:
■■ تهویه مطبوع ■■ خطوط مبرد
■■ دریایی ■■ خطوط ترمز
■■ متحرک ■■ خطوط سوخت
■■ موتورهای

لوله سازگار:
■■ مس
■■ برنج
■■ الومینیوم
■■ لوله هیدرولیک فولادی جوش داده شده

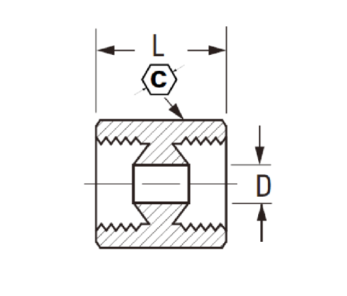
قسمت مرجع شماره:
302 -2300 -42ifhd $ $

با ما تماس بگیرید

مشخصات

قسمت#

inv.flare × inv.flare

جف

د

سعادت

302-2

1/8 13/32 .78

.59

302-3

3/16 15/32 .125

.62

302-4 1/4 17/32 .188 .62

302-5

5/16 19/32 .219 .70

302-6

3/8 3/4 .281 .80
302-8 1/2

29/32

.406

.91

*Ref.Sae No.040101 BA $ $

این اتصالات اتحادیه برای انواع برنامه های کاربردی مانند خطوط تهویه مطبوع ، خطوط مبرد ، خطوط دریایی ، خطوط سوخت موبایل ، موتورها و انتقال استفاده می شود. این مجموعه از ساخت و ساز برنجی تشکیل شده و دارای یک مهره فولادی برای اقتصاد است.
اتصالات اتحادیه خط انعطاف پذیر برنجی 302 سری برای اتصال بخش های لوله با شعله ور استفاده می شود. سری 302 برای خطوط ترمز ، خطوط سوخت و خطوط تبرید ایده آل است. از مهره فولادی برای ایمن سازی اتحادیه خط در محل استفاده می شود. سری 302 برای استفاده با لوله های مس و آلومینیوم طراحی شده است.
این اتصالات اتحادیه برنجی به شما امکان می دهد بخش هایی از لوله را به سرعت و با اطمینان وصل کنید. از برنج ساخته شده است ، که مقاوم در برابر حرارت و بدون خوردگی است. نصب آن آسان است ، به لطف واشر لاستیکی Norprene که یک مهر و موم محکم بین اتصالات انتهایی ، کاهش نشت یا نشت را فراهم می کند. اتصالات اتحادیه با لوله های ساخته شده از مس ، برنج یا آلومینیوم سازگار است.
این اتحادیه وسیله ای برای اتصال دو قطعه لوله ای فراهم می کند. بدنه اصلی از برنج با مهره فولادی برای اقتصاد ساخته شده است. ورودی محوطه ای که در یک لوله در یک شیار در بدن اتصالات اتحادیه قرار می گیرد ، و روی یک شعله برنجی چرخانده می شود. لوله دوم از طریق یک شیار خارجی عبور می کند تا با یک پین داخلی که ممکن است در صورت دلخواه در شیار خود قرار گیرد ، ایمن باشد. $ $

با ما تماس بگیرید

در مورد لگد

ماشین آلات صنعتی Legines Inc.

به عنوان یک تولید کنندگان حرفه ای اتصالات برنجی چین و به تأمین کنندگان اتصالات فشار می آورد. این ماشینکاری کامل CNC را اتخاذ می کند و دارای منطقه کارگاه با 3600 متر مربع است. 45 ابزار ماشین آلات اتوماتیک ، 35 دستگاه ماشین CNC نیمه اتوماتیک و همچنین توزیع کنندگان ، که به تأمین کننده مهمی برای تولید قطعات برنجی استاندارد آمریکایی در چین تبدیل شده اند ...
  • افتخار
  • افتخار

دستورالعمل و اخبار