legines.com
402 شعله ور معکوس 90 درجه اتصالات آرنج نر

402 شعله ور معکوس 90 درجه اتصالات آرنج نر

ویژگی های محصول:
■■ همه ساخت های برنجی
■■ UL برای مایع و گاز قابل اشتعال ذکر شده است
■■ نیازهای عملکردی SAE J512 را برآورده می کند
■■ مهره فولادی برای اقتصاد

بازارها: برنامه ها:
■■ تهویه مطبوع ■■ خطوط مبرد
■■ دریایی ■■ خطوط ترمز
■■ متحرک ■■ خطوط سوخت
■■ موتورهای

لوله سازگار:
■■ مس
■■ برنج
■■ الومینیوم
■■ لوله هیدرولیک فولادی جوش داده شده

قسمت مرجع شماره:
4000 -2400 -2491IFHD -2491IF -49W $ $

با ما تماس بگیرید

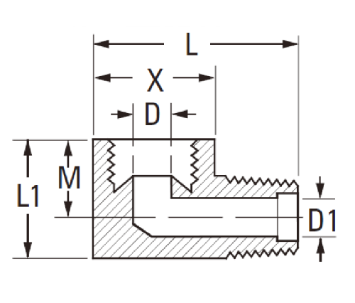
مشخصات

قسمت#

لوله O.د × موضوع نر

x

D

سعادت

402-2a

1/8 × 1/8 .42 .078 .80

402-3a

3/16 × 1/8 .47 .125 .70

402-4a

1/4 × 1/8 .53 .188 .74

402-4b

1/4 × 1/4 .56 .188 .89

402-5a

5/16 × 1/8 .59 .219 .79

402-5b

5/16 × 1/4 .59 .220 .98

402-6a

3/8 × 1/8 .76 .281 .89

402-6b

3/8 × 1/4 .76 .281 1.03

402-6 درجه

3/8 × 3/8 .75 .281 1.01

402-8b

1/2 × 1/4 .91 .406 1.08

402-8 درجه

1/2 × 3/8 .92 .406 1.07
402-8d 1/2 × 1/2 .91 .406 1.26
402-10d 5/8 × 1/2 1.06 .531 1.32

*Ref.Sae No.040202 BA $ $

آرنج 90 درجه شعله ور به شما امکان می دهد به راحتی دو خط را با زاویه راست وصل کنید. آنها برای تغییر جهت در خطوط آب ، تهویه هوا و خطوط مبرد ، خطوط ترمز و خطوط سوخت استفاده می شوند. ساخت و سازهای برنجی و آجیل های فولادی آنها را برای استفاده با شیلنگ لاستیکی هیدرولیک فولادی ایده آل می کند.
این آرنج شعله ور 90 درجه همه ساخت و ساز برنجی است ، UL که برای مایع و گاز قابل اشتعال ذکر شده است ، نیازهای عملکردی SAE J512 ، 1/8 "x1/8" لوله را تا 1/2 "x1/2" اتصالات نر. آجیل فولادی برای اقتصاد که اکثر استانداردهای تولید کنندگان اتومبیل OEM را برآورده می کند.
این یک اتصالات آرنج نر NPT است که از برنج ساخته شده و در لوله کشی استفاده می شود. این اتصالات یک روش ارزان برای اتصال لوله هایی که با مواد و اندازه های مختلف ساخته شده است فراهم می کند. $ $

با ما تماس بگیرید

در مورد لگد

ماشین آلات صنعتی Legines Inc.

به عنوان یک تولید کنندگان حرفه ای اتصالات برنجی چین و به تأمین کنندگان اتصالات فشار می آورد. این ماشینکاری کامل CNC را اتخاذ می کند و دارای منطقه کارگاه با 3600 متر مربع است. 45 ابزار ماشین آلات اتوماتیک ، 35 دستگاه ماشین CNC نیمه اتوماتیک و همچنین توزیع کنندگان ، که به تأمین کننده مهمی برای تولید قطعات برنجی استاندارد آمریکایی در چین تبدیل شده اند ...
  • افتخار
  • افتخار

دستورالعمل و اخبار