legines.com
252 اتصالات آداپتور زن معکوس

252 اتصالات آداپتور زن معکوس

ویژگی های محصول:
■■ همه ساخت های برنجی
■■ UL برای مایع و گاز قابل اشتعال ذکر شده است
■■ نیازهای عملکردی SAE J512 را برآورده می کند
■■ مهره فولادی برای اقتصاد

بازارها: برنامه ها:
■■ تهویه مطبوع ■■ خطوط مبرد
■■ دریایی ■■ خطوط ترمز
■■ متحرک ■■ خطوط سوخت
■■ موتورهای

لوله سازگار:
■■ مس
■■ برنج
■■ الومینیوم
■■ لوله هیدرولیک فولادی جوش داده شده

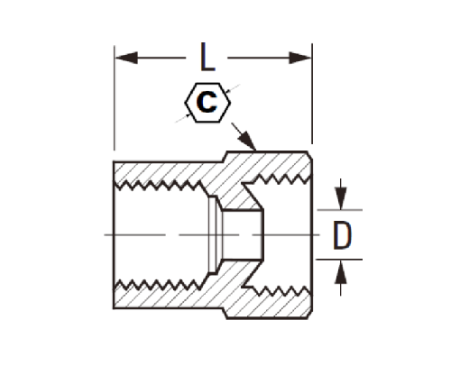
قسمت مرجع شماره:
461FHD -252 -46W $ $

با ما تماس بگیرید

مشخصات

قسمت#

Tube O.د × Thread

جف

D

سعادت

252-3a

3/16 × 1/8 15/32 .125 .62

252-4a

1/4 × 1/8 17/32 .188 .62

252-5b

5/16 × 1/4 19/32 .220 .70

252-6b

3/8 × 1/4 3/4 .281 .80

252-8c

1/2 × 3/8 29/32 .406 .91

*Ref.Sae No.040103 BA $ $

این آداپتور شعله ور زن برنجی برای استفاده با اتصالات استاندارد شعله ور نر دارای شعله ور شده است. این یک مهر و موم قابل اعتماد برای جلوگیری از نشت فراهم می کند و SAE J512 تأیید شده است. مهره فولادی برای برنامه های اقتصاد توصیه می شود ، جایی که یک اتصالات شعله ای دائمی نصب شده هنوز باید در مدت زمان کوتاهی حذف شود یا دوباره نصب شود.
با ارائه تطبیق پذیری و دوام اضافی ، سری 252 لوله ها را با قطر بیرونی 3/16 "، 1/4" ، 5/16 "و 3/8" همراه می کند. این تضمین می کند که تقریباً با تمام اتصالات مخزن شما سازگار است. شما همچنین از ساخت و سازهای بادوام آن تحت تأثیر قرار می گیرید ، بدون توجه به چند بار از آن ، عمر طولانی را تضمین می کنید.
این اتصالات آداپتور برای اتصال لوله به شیلنگ ها و دریچه ها طراحی شده است. ساخته شده از برنج ، این مناسب با استانداردهای صنعت مطابقت دارد و برای استفاده در برنامه های کاربردی خودرو و دریایی طراحی شده است.
آداپتور زن معکوس Flare یک ماده زنانه است که با Threads 1/2 "NPT و لوله SAE 3/8" سازگار است. ساخته شده از مواد بادوام و طراحی شده برای استفاده گسترده ، این اتصالات برای هر خانه یا تجارت عالی است. $ $

با ما تماس بگیرید

در مورد لگد

ماشین آلات صنعتی Legines Inc.

به عنوان یک تولید کنندگان حرفه ای اتصالات برنجی چین و به تأمین کنندگان اتصالات فشار می آورد. این ماشینکاری کامل CNC را اتخاذ می کند و دارای منطقه کارگاه با 3600 متر مربع است. 45 ابزار ماشین آلات اتوماتیک ، 35 دستگاه ماشین CNC نیمه اتوماتیک و همچنین توزیع کنندگان ، که به تأمین کننده مهمی برای تولید قطعات برنجی استاندارد آمریکایی در چین تبدیل شده اند ...
  • افتخار
  • افتخار

دستورالعمل و اخبار