legines.com
105 لیتر لوله فولادی

105 لیتر لوله فولادی

ویژگی های محصول:
■■ همه ساخت های برنجی
■■ UL برای مایع و گاز قابل اشتعال ذکر شده است
■■ نیازهای عملکردی SAE J512 را برآورده می کند
■■ مهره فولادی برای اقتصاد

بازارها: برنامه ها:
■■ تهویه مطبوع ■■ خطوط مبرد
■■ دریایی ■■ خطوط ترمز
■■ متحرک ■■ خطوط سوخت
■■ موتورهای

لوله سازگار:
■■ مس
■■ برنج
■■ الومینیوم
■■ لوله هیدرولیک فولادی جوش داده شده

قسمت مرجع شماره: $ $

با ما تماس بگیرید

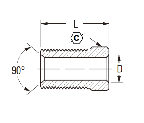
مشخصات

قسمت#

لوله O.د

جف

D

سعادت

105L-3

3/16 3/8 .196

.844

105L-4

1/4 7/16 $ $ .257 .812

این یک ساخت و ساز برنجی ، مهره نخ بلند برای لوله تا 1/4 "O.D. مواد است. این ویژگی دارای UL برای مایع و گاز قابل اشتعال است ، نیازهای عملکردی استانداردهای SAE J512 و UL 923/UL 181 را برآورده می کند و مطابق با ویژگی های FMVSS 135 & FMVSS 302 است
به دنبال آجیل لوله های استیل ضدزنگ هستید؟ این لیست برای شما مناسب است! مهره THIPH THEAD THEAR THEAL TUBE از جنس استیل 105L ، ارتقاء خوبی به سیستم لوله کشی شما است که از کلیه ساخت و سازهای برنجی ساخته شده و نیازهای عملکردی SAE J512 را برآورده می کند. در اندازه های مختلفی وجود دارد ، بنابراین حتماً آنها را بررسی کنید. $ $

با ما تماس بگیرید

در مورد لگد

ماشین آلات صنعتی Legines Inc.

به عنوان یک تولید کنندگان حرفه ای اتصالات برنجی چین و به تأمین کنندگان اتصالات فشار می آورد. این ماشینکاری کامل CNC را اتخاذ می کند و دارای منطقه کارگاه با 3600 متر مربع است. 45 ابزار ماشین آلات اتوماتیک ، 35 دستگاه ماشین CNC نیمه اتوماتیک و همچنین توزیع کنندگان ، که به تأمین کننده مهمی برای تولید قطعات برنجی استاندارد آمریکایی در چین تبدیل شده اند ...
  • افتخار
  • افتخار

دستورالعمل و اخبار