legines.com
702 اتصالات Tee Union Union Flare

702 اتصالات Tee Union Union Flare

ویژگی های محصول:
■■ همه ساخت های برنجی
■■ UL برای مایع و گاز قابل اشتعال ذکر شده است
■■ نیازهای عملکردی SAE J512 را برآورده می کند
■■ مهره فولادی برای اقتصاد

بازارها: برنامه ها:
■■ تهویه مطبوع ■■ خطوط مبرد
■■ دریایی ■■ خطوط ترمز
■■ متحرک ■■ خطوط سوخت
■■ موتورهای

لوله سازگار:
■■ مس
■■ برنج
■■ الومینیوم
■■ لوله هیدرولیک فولادی جوش داده شده

قسمت مرجع شماره:
244ifhd -702 -441 $ $

با ما تماس بگیرید

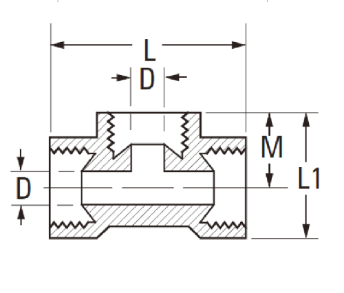
مشخصات

قسمت#

لوله O.د

D

مگس

سعادت

702-2 1/8 .078 .330 .94
702-3 3/16 .125 .390 1.09
702-4 1/4 .188 .420 1.13
702-5 5/16 .219 .450 1.25
702-6 3/8 .281 .560 1.48
702-8 1/2 .406 .937 1.76

*Ref.Sae No.040401 BA $ $

اتصالات Tee اتحادیه شعله ور معکوس برای اتصال دو لوله استفاده می شود. این اتصالات اجازه می دهد تا از یک اتصال از اتصال مخالف خارج شود بدون اینکه فشار یا جریان را کاهش دهد. این ساخت و ساز برنجی کاملاً در هم تنیده است و دارای طراحی سازگار SAE J512 است و به آن اجازه می دهد در برابر خوردگی مقاومت کند. TEE اتحادیه شعله ور معکوس می تواند در هر دو کاربرد تجاری و صنعتی مانند تهویه مطبوع ، خطوط مبرد ، موتورهای دریایی ، خطوط ترمز و خطوط سوخت موبایل مورد استفاده قرار گیرد.
اتصالات 702 اتحادیه معکوس اتحادیه ما از برنج ساخته شده و الزامات SAE J512 را برآورده می کند. دارای یک مهره فولادی برای اقتصاد است که می تواند در خطوط ضد یخ ، مایع ترمز ، آب خنک کننده موتور دریایی و Goo استفاده شود. $ $

با ما تماس بگیرید

در مورد لگد

ماشین آلات صنعتی Legines Inc.

به عنوان یک تولید کنندگان حرفه ای اتصالات برنجی چین و به تأمین کنندگان اتصالات فشار می آورد. این ماشینکاری کامل CNC را اتخاذ می کند و دارای منطقه کارگاه با 3600 متر مربع است. 45 ابزار ماشین آلات اتوماتیک ، 35 دستگاه ماشین CNC نیمه اتوماتیک و همچنین توزیع کنندگان ، که به تأمین کننده مهمی برای تولید قطعات برنجی استاندارد آمریکایی در چین تبدیل شده اند ...
  • افتخار
  • افتخار

دستورالعمل و اخبار